...Auf Wunsch vom Bassmann hier der Neuangelegte Thread zum Thema der Yamaha Fernbedienungen.....
Grundsätzlich sind die hier angebotenen FBs aber trotzdem für mein anderes Geraffel interessant, Angebote gern per PN!
Die RAX4 ist für mich doppelt interessant, a für meinen Hauptamp und b ist in der Bucht einer im Angebot, wo die Volume-LED blinkt....

nice2hear
Habe meine mal geöffnet und siehe da - es ist wie bei der Akai von damals :
Kontakte und Kontaktflächen - alle vorhanden.
Es fehlen die Aussparrungen für Gummitasten.
MfG
Ich benutze übrigens so etwas, seit ich den Amp habe:
![[Bild: RMB50933.jpg]](https://i.postimg.cc/jdpvVZpW/RMB50933.jpg)
Damit kann man nach meiner Erfahrung ALLE Yamahas einschließlich der 92er-Endziffern bedienen, egal ob Tuner, Tape, Amp, CD. Die 96er funktionieren damit nicht.... da muss Yamaha grundsätzlich etwas geändert haben...
Das gilt ja auch für alle gezeigten FBs hier, da gab es ja auch noch diese hier, sogar parallel zu dem Knochen, den ich suche:
Ergo haben die einfach in ihre Kisten gegriffen und genommen, was gerade da war oder was auch immer. Was ich nun wieder noch nie verstanden habe, das bei den meisten Geräten die Fernbedienungen "leider nicht auffindbar" sind oder beim 3. Besitzer schon "nie eine dabei war". Also bei mir kommt nur weg, was defekt ist oder sonstwie unbrauchbar...
(12.04.2026, 15:00)p.seller schrieb: [ -> ]
nice2hear
Habe meine mal geöffnet und siehe da - es ist wie bei der Akai von damals :
Kontakte und Kontaktflächen - alle vorhanden.
Es fehlen die Aussparrungen für Gummitasten.
MfG
Also nur präzise die passenden Löcher bohren? Interessant....
Die Tasten duchführung ist vorgestanzt :
MfG
(12.04.2026, 18:14)p.seller schrieb: [ -> ]Die Tasten duchführung ist vorgestanzt :
MfG
Na das eröffnet ja ganz neue Perspektiven... ganz kluge Frage: Ist es denn sicher, das die Belegung IMMER komplett einprogrammiert ist für alle Funktionen?
Das muss ich mal an einem Tester probieren.
MfG
Hallo,
ich hänge mich hier mal dran...

Die RAX 12 passt nicht / funktioniert nicht beim AX 1090
Ich suche auch eine RAX 4 - nehme aber auch eine RAX5
Ich gehe davon aus, das die mit der "sleep" Taste von Code her nicht zum AX 1090 passen.
VG, Kai
Es lassen sich an den markierten Stellen noch Tasten nachrüsten, die einen Code senden.
hier zwei Bilder der Code-Form :
MfG
(12.04.2026, 20:41)p.seller schrieb: [ -> ]Es lassen sich an den markierten Stellen noch Tasten nachrüsten, die einen Code senden.
MfG
... womit sich das mit Experimenten erledigt hat, dann hätte man zwar immerhin die "Mute"-Taste, aber immer noch keine für den 3. Eingang bzw. Tape 3...

Moin
Zitat:.. womit sich das mit Experimenten erledigt hat, dann hätte man zwar immerhin die "Mute"-Taste, aber immer noch keine für den 3. Eingang bzw. Tape 3.
Wieso: Die Schaltflächen sind doch auch für Tape3 vorhanden. und noch einige mehr, wie man auf den Bilder von Werner sieht. Bleibt die Frage, ob man da Löcher in die FB bohren will. evtl könnte man das sogar mit einer anderen Tasterkappe ganz ansehlich hinbekommen.
Zitat:Was ich nun wieder noch nie verstanden habe, das bei den meisten Geräten die Fernbedienungen "leider nicht auffindbar" sind oder beim 3. Besitzer schon "nie eine dabei war". Also bei mir kommt nur weg, was defekt ist oder sonstwie unbrauchbar...
Da bin ich mit dir. In meiner Familie und Bekanntenkreis wiederhole ich gebetsmühlenartig, dass man bitte keine original Fernbedienungen wegschmeisst. Die sind nie kaputt, bzw. meist reparabel. UND: es sind bei neueren Geräten immer Funkionen auf der FB, die sonst nicht erreichbar sind.
Ich habe leider auch keine passende FB für meinen AX-1070 und bin genauso auf der Suche.
Im Service Manual sind die Tastencodes, da könnte man die Funktionen mit Werners Tester mal prüfen.
Viele Grüße
Lars
(13.04.2026, 06:42)AeroLars schrieb: [ -> ]Moin
Zitat:.. womit sich das mit Experimenten erledigt hat, dann hätte man zwar immerhin die "Mute"-Taste, aber immer noch keine für den 3. Eingang bzw. Tape 3.
Wieso: Die Schaltflächen sind doch auch für Tape3 vorhanden. und noch einige mehr, wie man auf den Bilder von Werner sieht.
Eben nicht, die sitzt direkt neben "AUX" beim Original.... könnte ich aber drauf verzichten, da gehts nur ums Prinzip ?. Die gibts bei meiner Universalbedienung auch nicht, auch wenn die so verkauft wird.
Ich habe noch eine Fernbedienung für den RX-797, der hat eine Eingangswahl "**", die in den europäischen Versionen nicht unterstützt wird. In den amerikansichen Versionen wird diese Taste für "XM" benutzt, damals ein Satelliten-Radio-Dienst (Sirius). Das BIOS des Receivers unterstützte damals entweder RDS oder XM. Wäre interessant, ob diese Fernbedienung dann Tape3 wecken würde.
Edit: Sendet Code "29D6", also wohl nicht brauchtbar.
Edit: Ich habe im Keller noch diverse FBs, darunter noch einem Karton mit Yamahas, aber RX4 und RAX5 glaub ich nicht. Die wurden für den AX-1090 verwendet?
(13.04.2026, 09:24)gst schrieb: [ -> ]Ich habe noch eine Fernbedienung für den RX-797, der hat eine Eingangswahl "**", die in den europäischen Versionen nicht unterstützt wird. In den amerikansichen Versionen wird diese Taste für "XM" benutzt, damals ein Satelliten-Radio-Dienst (Sirius). Das BIOS des Receivers unterstützte damals entweder RDS oder XM. Wäre interessant, ob diese Fernbedienung dann Tape3 wecken würde.
Edit: Sendet Code "29D6", also wohl nicht brauchtbar.
Edit: Ich habe im Keller noch diverse FBs, darunter noch einem Karton mit Yamahas, aber RX4 und RAX5 glaub ich nicht. Die wurden für den AX-1090 verwendet?
Die RAX4 ist diejenige welche mit allen zugehörigen Funktionen und wurde seinerzeit mit zumindest dem AX-1090 ausgeliefert. Heutzutage werden die Amps manchmal mit der RCX angeboten, die kann aber nie dazugehört haben in meinen Augen, da ja 2 Funktionen fehlten, wie bereits erwähnt....
Vieleicht habe ich ja Glück in deinem Keller?
Bei meinem 1070 war die RCX dabei, wird original gewesen sein, hab den schon über 20 Jahre.
Auf HiFi Wiki ist er auch so abgebildet, und auch mit Tape 3!
![[Bild: Screenshot-2026-04-13-at-13-25-26-Ersatz...X-1070.png]](https://i.postimg.cc/jqwxkzGd/Screenshot-2026-04-13-at-13-25-26-Ersatzfernbedienung-fu-r-Yamaha-AX-1070.png)
Zitat:Eben nicht, die sitzt direkt neben "AUX" beim Original.... könnte ich aber drauf verzichten,
hmm, seh ich anders. Auf Werners Bild in Post#11 ist die dritte Reihe voll belegt. Da sollte auch die Tape3 Taste funktionieren.
Die ersten beiden Reihen sind gar nicht nach außen geführt.
Ich stimme Norbsi zu: beim AX-1070 war es noch die RCX. Die RA-4 gehört dann zum AX-1090. Funktionieren werden die alle. Bis auf die Randgruppenfunktionen wie Tape3.
Sind nur schweineteuer. Vielleicht sollte man nach einer RA-3 Ausschau halten und Löcher bohren.
Viele Grüße
Lars
(13.04.2026, 12:21)Norbsi schrieb: [ -> ]Bei meinem 1070 war die RCX dabei, wird original gewesen sein, hab den schon über 20 Jahre.
Auf HiFi Wiki ist er auch so abgebildet, und auch mit Tape 3!
Das ist der Hammer, in meiner BDA ist definitiv die RAX4 abgebildet. Die RCX habe ich hier OHNE Tape 3, gab es also auch in etlichen Varianten. Hast du bitte einmal die Teilenummer, ist die da irgendwo aufgedruckt oder eingeprägt? Oder ein Bild im Ganzen? Mir geht es auch um das Muting...
Ja hab ich VP84970:
![[Bild: Yamaha-FB.jpg]](https://i.postimg.cc/nLCsYTQ0/Yamaha-FB.jpg)
Ja super. Die wäre dann auch hochinteressant für mich, wenn die jemand über hat! Lässt sich der Titel meiner Suche dahingehend erweitern oder ändern?
Und meine Frage zur Sicherheit: Drücke ich auf "Muting", wird die Lautstärke abgesenkt und die LED am Volumepoti blinkt dann, korrekt?
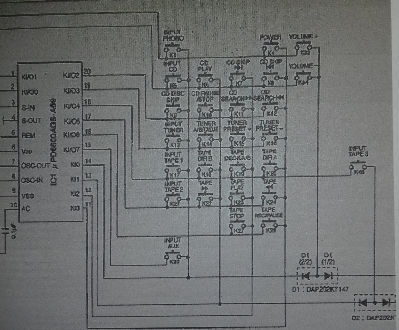
Einmal SMD-Diode und Tape3 sollte funktionieren :
Siehe Schaltplan rechts :
MfG
(13.04.2026, 17:41)p.seller schrieb: [ -> ]Einmal SMD-Diode und Tape3 sollte funktionieren :
MfG
Abgefahren... super Tip. Dafür müsste ich überhaupt die betreffende Fernbedienung besitzen. Ich bin immer wieder baff, was hier für ein Wissensschatz weitergegeben wird! Danke....
Springair hat eine originale zum Verkauf, aber nicht billig aber original!
Hallo
Ich hatte noch 2 1N4841 (SMD) und habe sie eingesetzt.
Der vollstädige Code ist - 54AB
Soll heißen das es mit 1N4148 auch funktioniert.
MfG
Moin,
Eigentlich gehören diese Informationen in einen eigenen Thread und nicht hier unter „verkaufen“.
Die Fernbedienung vom AX-1050 funktioniert auch beim AX-1070. Hab ich eben ausprobiert. Dort ist die Taste DAT mit hexcode 0x54 belegt, das entspricht dem Tape 3.
Die Fernbedienung heißt AX mit der Nummer VL20850:
Viele Grüße
Lars