Vor 4 Stunden
Hallo zusammen,
kurz vorab - bisher habe ich noch noch nicht so intensiv mit Boxen beschäftigt und mich ein wenig online eingelesen.
Nun habe ich ein Paar Beovox 1800 in optisch tollem Zustand bekommen, ohne zu wissen, ob sie funktionieren. Bei einer ersten Überprüfung an einem ordnungsgemäß funktionierenden Beomaster 1200 klingen sie miserabel. Kein Bass und Verzerrungen in den mittleren Frequenzen. Also habe ich die Lautsprecher vom Chassis abmontiert und sie mit einem Multimeter überprüft:
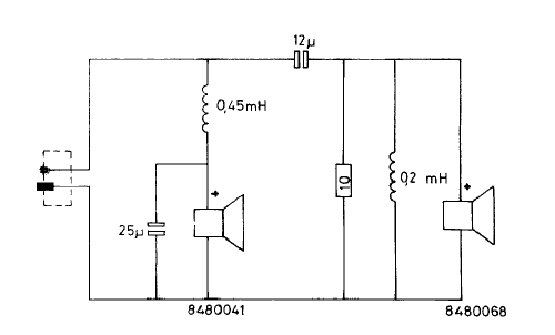
1. Beide Hochtöner haben Durchgang und beide haben einen gemessenen Widerstand von 6,6 Ohm. Macht das Sinn? Haben die Original-Hochtöner vielleicht 8 Ohm? Auf den Tweetern konnte ich keine Angabe finden. Muss ich noch etwas anderes testen ob sie richtig funktionieren?
2. Die Tief-/Mittenlautsprecher haben original einen Widerstand von 4 Ohm. Einer der beiden ist wohl komplett defekt - ich konnte keinen Durchgang messen und er hat einen gemessenen Widerstand von 108 Ohm. Der andere Speaker hat Durchgang und einen Widerstand von 3,6 Ohm. Sollte also eigentlich okay sein. Wenn ich den dann aber ohne Frequenzweiche direkt an den Verstärker anschließe, klingt er seltsam. Bei geringer Lautstärke geht es noch aber sobald man etwas lauter dreht zerrt er und hat kein Volumen. Was kann da defekt sein?
Gibt es evtl. eine Empfehlung für einen Tief-/Mittenlautsprecher den man statt des originalen einsetzen kann?
Vielen Dank vorab für Eure Hilfe
kurz vorab - bisher habe ich noch noch nicht so intensiv mit Boxen beschäftigt und mich ein wenig online eingelesen.
Nun habe ich ein Paar Beovox 1800 in optisch tollem Zustand bekommen, ohne zu wissen, ob sie funktionieren. Bei einer ersten Überprüfung an einem ordnungsgemäß funktionierenden Beomaster 1200 klingen sie miserabel. Kein Bass und Verzerrungen in den mittleren Frequenzen. Also habe ich die Lautsprecher vom Chassis abmontiert und sie mit einem Multimeter überprüft:
1. Beide Hochtöner haben Durchgang und beide haben einen gemessenen Widerstand von 6,6 Ohm. Macht das Sinn? Haben die Original-Hochtöner vielleicht 8 Ohm? Auf den Tweetern konnte ich keine Angabe finden. Muss ich noch etwas anderes testen ob sie richtig funktionieren?
2. Die Tief-/Mittenlautsprecher haben original einen Widerstand von 4 Ohm. Einer der beiden ist wohl komplett defekt - ich konnte keinen Durchgang messen und er hat einen gemessenen Widerstand von 108 Ohm. Der andere Speaker hat Durchgang und einen Widerstand von 3,6 Ohm. Sollte also eigentlich okay sein. Wenn ich den dann aber ohne Frequenzweiche direkt an den Verstärker anschließe, klingt er seltsam. Bei geringer Lautstärke geht es noch aber sobald man etwas lauter dreht zerrt er und hat kein Volumen. Was kann da defekt sein?
Gibt es evtl. eine Empfehlung für einen Tief-/Mittenlautsprecher den man statt des originalen einsetzen kann?
Vielen Dank vorab für Eure Hilfe



![[Bild: Screen-Shot-Siggi-Sat-Mar-7-14-33-15-2026.jpg]](https://i.postimg.cc/5tyxsDST/Screen-Shot-Siggi-Sat-Mar-7-14-33-15-2026.jpg)

![[Bild: IMG-5481.jpg]](https://i.postimg.cc/6qWtF3sh/IMG-5481.jpg)
![[Bild: IMG-5482.jpg]](https://i.postimg.cc/zvz84Bmz/IMG-5482.jpg)


![[Bild: beovox-1800-Weiche.png]](https://i.postimg.cc/fb16xbTb/beovox-1800-Weiche.png)