Beiträge: 243
Themen: 13
Thanks Received: 966 in 154 posts
Thanks Given: 692
Registriert seit: Jul 2024
Bewertung:
13
16.02.2026, 15:09
(Dieser Beitrag wurde zuletzt bearbeitet: 17.02.2026, 10:13 von Musikliebhaber72.)
Mahlzeit  ,
ich möchte hier über ein Projekt berichten, das ich schon länger im Hinterkopf habe, bis jetzt aber noch nie umgesetzt hab...
Ich habe einen Yamaha RX-V430DRS den ich mal für nen schmalen Taler (10Euro) aus den Kleinanzeigen gefischt habe... den habe ich am Anfang (schon ein paar jährchen her) im Surround laufen lassen... machte er auch für meinen Geschmack richtig gut... da ich aber keinen Fernseher mehr habe, hier auch noch ein RX-V530RDS steht, durfte er nachher nur noch im Schlafzimmer in Stereo laufen...
![[Bild: 430er-jcs-0028.jpg]](https://i.postimg.cc/D0ZjqM5V/430er-jcs-0028.jpg)
eigentlich ein solides Gerät aus der 10Kg Klasse, mit einem Trafo der ordentlich Strom und verschiedene Spannungen liefern kann und Endstufen die was aushalten...
Da ich im Keller noch einen AX-496 stehen habe(die haben den gleichen Schaltungsaufbau der Endstufen) wollte ich ihn verkaufen...
Tja was soll ich sagen, den will keiner haben... (oder aber: umsonnst, dann noch nach Hause geliefert und aufgebaut / angeschlossen...)  dafür ist mir meine Zeit zu schade und für die Tonne oder einmotten ist er auch zu Schade...
Ich wollte schon länger eine Kombination aus Vorverstärker und Endstufen als Mono-Aufbau haben... warum also nicht den Receiver dafür hernehmen
Weil ich ja Praktiker, Tüftler und Bastler bin und alles an Ideen auch selber ausprobieren muss (ganz egal wie das Ergebnis wird)...  möchte ich hier daraus ein Projekt / Bericht machen und euch daran teilhaben lassen...
Das dürfte sicher interessant werden und mir einiges an Hürden in den Weg stellen, an die ich bis jetzt noch nicht gedacht habe... einige durfte ich schon erleben, dazu in den Folgeberichten mehr... (nein er ist noch nicht fertig)
Aber wie heißt es doch so schön: "Man wächst mit seinen Aufgaben!"
So viel zur Vorgeschichte wie es dazu gekommen ist...
Hiermit fängt mal wieder Alles an, "Das Skizzenbuch":
![[Bild: RX-V-jcs-0001.jpg]](https://i.postimg.cc/PfDP5t1Z/RX-V-jcs-0001.jpg)
So in etwa habe ich es mir vorgestellt, was daraus werden soll...  ob es denn soweit kommt...
- ein Gehäuse oder offener Aufbau für Trafo und Netzteil...
- ein Gehäuse für Vorverstärker Doppelmono, Nutzung für Phono und CD
- zwei Gehäuse für Endstufen mit Zappelzeiger
Gehäuse sollen außen in rostigem Blech  und vorne mit ehr rustikalen Hozfronen gebaut werden... Knöpfe und Schalter als Kontrast poliert...
eventuell innen dezent in blau beleuchtet und oben mit Plexiglas (da bin ich mir aber noch nicht ganz sicher)
Das ist der Anfang... Zerlegt ist der Receiver schon davon gibts im nächsen Bericht Bilder und Text...
in diesem Sinn habt einen musikreichen Restfeiertag...
Gruß Jens
Edit: im Satz zum AX 496 habe ich in Klammern geschrieben das die die gleichen Endstufen haben, es sollte aber heißen die haben den gleichen Schaltungsaufbau der Endstufen bis auf die Ruhestromeinstellung die wird beim 430er elektronisch geregelt (transitoren und Bauteile sind etwas anders). Das habe ich geändert...
Wissen und Erfahrungen zu teilen bedeutet...
jemand Anderem die Chance zu geben auf Augenhöhe zu kommunizieren...
Sei du selbst die Veränderung, die du in der Welt sehen möchtest...
Beiträge: 23.840
Themen: 277
Thanks Received: 28.149 in 9.751 posts
Thanks Given: 31.270
Registriert seit: Nov 2010
Bewertung:
103
ohh, ein "wer macht denn sowas"-Projekt..
Sehr schön, da gucken wir zu.
"We learned more from a three minute record than we ever learned in school" , Bruce Springsteen in "No surrender" played als Song 2 im Mai 2013 in Hannover
Beiträge: 243
Themen: 13
Thanks Received: 966 in 154 posts
Thanks Given: 692
Registriert seit: Jul 2024
Bewertung:
13
Wissen und Erfahrungen zu teilen bedeutet...
jemand Anderem die Chance zu geben auf Augenhöhe zu kommunizieren...
Sei du selbst die Veränderung, die du in der Welt sehen möchtest...
1 Mitglied sagt Danke an Musikliebhaber72 für diesen Beitrag:1 Mitglied sagt Danke an Musikliebhaber72 für diesen Beitrag
• roter-neon
Beiträge: 23.840
Themen: 277
Thanks Received: 28.149 in 9.751 posts
Thanks Given: 31.270
Registriert seit: Nov 2010
Bewertung:
103
17.02.2026, 11:15
(Dieser Beitrag wurde zuletzt bearbeitet: 17.02.2026, 11:16 von nice2hear.)
Jens, weiß nicht ob du damals (immerhin schon 2016) mein schräges DIY Projekt verfolgt hattest..,
https://old-fidelity-forum.de/thread-21551.html
"We learned more from a three minute record than we ever learned in school" , Bruce Springsteen in "No surrender" played als Song 2 im Mai 2013 in Hannover
2 Mitglieder sagen Danke an nice2hear für diesen Beitrag:2 Mitglieder sagen Danke an nice2hear für diesen Beitrag
• Musikliebhaber72, roter-neon
Beiträge: 243
Themen: 13
Thanks Received: 966 in 154 posts
Thanks Given: 692
Registriert seit: Jul 2024
Bewertung:
13
"DAS GROSSE SCHLACHTEN"
Es wird also blutig, es werden Organe, Adern und Innereien entnommen, der Cauter muss rumschneiden und Blutungen stoppen, ... wer kein Blut sehen kann sollte also heute nicht mitlesen... (  ups, sorry falsches Forum)
Heute gehts also darum den Receiver in seine Einzelteile zu zerlegen, alles zu entlöten und zu sehen was an Teilen alles da ist...
![[Bild: 430er-jcs-0021.jpg]](https://i.postimg.cc/0QpcjD9h/430er-jcs-0021.jpg)
Auch wenn´s mir wiederstreht etwas funktionierendes, grundsolides, ... zu zerstören führe ich es ja einer neuen Bestimmung / Aufgabe zu, bei der ich mal wieder eine Menge lernen kann und ich versuche natürlich so viel wie möglich aus dem Receiver zu verwenden und mit dem Rest mein Ersatzteillager zu füllen....
" Et is wie Et is" hilft ja nix...
Akkuschrauber und los...
![[Bild: 430er-jcs-0017.jpg]](https://i.postimg.cc/FRMzWkcv/430er-jcs-0017.jpg)
Da ich euch den ganzen blutigen Teil ersparen wollte hier nur das Ergebnis... Diese Teile sind und waren das Ziel meiner Zerlegung... die Platinen mit den Bauteilen die ich beim aufbau des "Neuen" wiederverwenden möchte...
![[Bild: 430er-jcs-0013.jpg]](https://i.postimg.cc/NfJqQqJ9/430er-jcs-0013.jpg)
Das Entlöten nimmt die meiste Zeit in Anspruch...  zwischendurch kommt dann schoooon die Frage auf "Warum kauf ich das nicht einfach neu?"  aber es geht mir ja auch ums Upcycling, raus zu finden was ich aus dem alten Receiver machen kann und was ich alles an Teilen verwenden kann... 
egal, ich habe gerade einen Lauf, also weiter..
![[Bild: 430er-jcs-0010.jpg]](https://i.postimg.cc/rFtCw5gR/430er-jcs-0010.jpg)
Das ist also jetzt die Ausbeute, was vom dem Schlachtfest übrig geblieben ist... (Wobei Gehäuse, Front und Digitalteil erstmal in den Keller gewandert sind, das wird wohl nach dem Projekt veräußert... (also erstmal nix für die Tonne)
Das sieht jetzt aber mal nicht soooo viel aus...
![[Bild: 430er-jcs-0008.jpg]](https://i.postimg.cc/ydmxGYTH/430er-jcs-0008.jpg)
Der Kandidat hier soll dann demnächst mal alles mit ordentlich Power befeuern, vom Gewicht her würde ich mal auf 6-7 Kg tippen...
![[Bild: 430er-jcs-0009.jpg]](https://i.postimg.cc/Fzw6Jm2V/430er-jcs-0009.jpg)
Die Kandidaten, original Sanken Endstufen Transistoren (anscheinend sogar aus einer Serienproduktion  ), drücken dann alles was an Signalen/Musik kommt in Richtung Lautsprecher...
die Datasheets und Service Manual werde ich noch verlinken, falls da jemand interesse hat...
Was die Siebelkos, Wiederstände, Transistoren... angeht hoffe ich einfach möglichst viel verwenden zu können
So viel jetz erstmal zum "GROSSEN SCHLACHTEN", zerlegen und entlöten...
Datenblätte zu den Bauteilen finde ich meinst hier: Alldatasheet klick
Die PNP Transistoren 2SA1695 gibts hier: 2SA1695 Klick
Die NPN Transistoren 2SC4468 gibts hier: 2SC4468 klick
Die Service Anleitung zum RX-V430 gibts hier: SM klick
Habt einen Musikreichen Tag
Gruß Jens
Wissen und Erfahrungen zu teilen bedeutet...
jemand Anderem die Chance zu geben auf Augenhöhe zu kommunizieren...
Sei du selbst die Veränderung, die du in der Welt sehen möchtest...
Beiträge: 5.540
Themen: 100
Thanks Received: 15.068 in 3.432 posts
Thanks Given: 28.704
Registriert seit: Jul 2013
Bewertung:
37
Das finde ich sehr spannend und kreativ.
Bin schon gespannt wie es weiter geht!
2 Mitglieder sagen Danke an Caspar67 für diesen Beitrag:2 Mitglieder sagen Danke an Caspar67 für diesen Beitrag
• Musikliebhaber72, roter-neon
Beiträge: 243
Themen: 13
Thanks Received: 966 in 154 posts
Thanks Given: 692
Registriert seit: Jul 2024
Bewertung:
13
(17.02.2026, 11:15)nice2hear schrieb: Jens, weiß nicht ob du damals (immerhin schon 2016) mein schräges DIY Projekt verfolgt hattest..,
https://old-fidelity-forum.de/thread-21551.html
Hi, da war ich leider noch nicht dabei, werde ich mir aber anschauen, ich stehe einfach auf solche Umbauten / Basteleien / Versuche / mal sehen was passiert Projekte...
Wissen und Erfahrungen zu teilen bedeutet...
jemand Anderem die Chance zu geben auf Augenhöhe zu kommunizieren...
Sei du selbst die Veränderung, die du in der Welt sehen möchtest...
2 Mitglieder sagen Danke an Musikliebhaber72 für diesen Beitrag:2 Mitglieder sagen Danke an Musikliebhaber72 für diesen Beitrag
• nice2hear, roter-neon
Beiträge: 243
Themen: 13
Thanks Received: 966 in 154 posts
Thanks Given: 692
Registriert seit: Jul 2024
Bewertung:
13
(17.02.2026, 11:33)Caspar67 schrieb: Das finde ich sehr spannend und kreativ.
Bin schon gespannt wie es weiter geht!

Danke, ja ich bin auch gespannt, wie weit ich komme...
um den praktischen Teil mache ich mir eigentlich wenig Gedanken (das wird schon)
aber den theoretischen Teil wie Schaltungverstehen, ausrechnen, ... was brauche ich was kann ich weg lassen, und und und, da werden wohl ein/zwei Hürden kommen....
AAAber ich bin ja hier unter Fachleuten, ...
et könnte also wat werden (und wenn et nix wird...)
Wissen und Erfahrungen zu teilen bedeutet...
jemand Anderem die Chance zu geben auf Augenhöhe zu kommunizieren...
Sei du selbst die Veränderung, die du in der Welt sehen möchtest...
1 Mitglied sagt Danke an Musikliebhaber72 für diesen Beitrag:1 Mitglied sagt Danke an Musikliebhaber72 für diesen Beitrag
• roter-neon
Beiträge: 23.840
Themen: 277
Thanks Received: 28.149 in 9.751 posts
Thanks Given: 31.270
Registriert seit: Nov 2010
Bewertung:
103
17.02.2026, 11:49
(Dieser Beitrag wurde zuletzt bearbeitet: 17.02.2026, 12:35 von nice2hear.)
"We learned more from a three minute record than we ever learned in school" , Bruce Springsteen in "No surrender" played als Song 2 im Mai 2013 in Hannover
Beiträge: 243
Themen: 13
Thanks Received: 966 in 154 posts
Thanks Given: 692
Registriert seit: Jul 2024
Bewertung:
13
Hi Peter,
hab mir das Projekt mal durchgelesen / angeschaut, da hast du dir aber was ausgedacht und umgesetzt... Puh...
Die Blaue Säge hängt sicher bei dir im Musikzimmer als Warnung für alle Tuner die nicht richtig funktionieren wollen... oder??  (seit dem keine Ausfälle mehr)
Wissen und Erfahrungen zu teilen bedeutet...
jemand Anderem die Chance zu geben auf Augenhöhe zu kommunizieren...
Sei du selbst die Veränderung, die du in der Welt sehen möchtest...
2 Mitglieder sagen Danke an Musikliebhaber72 für diesen Beitrag:2 Mitglieder sagen Danke an Musikliebhaber72 für diesen Beitrag
• nice2hear, roter-neon
Beiträge: 243
Themen: 13
Thanks Received: 966 in 154 posts
Thanks Given: 692
Registriert seit: Jul 2024
Bewertung:
13
Mahlzeit,
heute steht das große "Messen", Bestandsaufnahme, "To do" Liste und in die SM einarbeiten aufm Plan...
![[Bild: 430er-jcs-0050.jpg]](https://i.postimg.cc/QM9R6KwT/430er-jcs-0050.jpg)
dafür habe ich mir den Trafo schonmal auf ein Restbrett OSB geschraubt... hatte noch ein paar reste Feuchtraumkabel da und Lüsterne Klemmen, also alles zusammengetüdelt - gelötet... da ich ja hier kein Gehäuse als Masse habe, kommt hier ein Stück Kupferblech zu Einsatz bei dem ich bei Bedarf die Masseverbindungen zusammenführen kann...
![[Bild: 430er-jcs-0038.jpg]](https://i.postimg.cc/zDsFstvD/430er-jcs-0038.jpg)
Ich bin aus meiner Selständikeit gewohnt " Mach et vernünftig oder lass et bleiben!" alles andere kostet nur Geld und Zeit... deshalb hab ich direkt mit Einschlagmuttern gearbeitet, so kann ich schnell alles ab- und wiederanschrauben... und die Füße vom Receiver finden auch direkt Verwendung...
![[Bild: 430er-jcs-0048.jpg]](https://i.postimg.cc/fLM6fWnL/430er-jcs-0048.jpg)
jetzt messe ich erst mal durch ob der Trafo einen Schluss auf Masse hat, das wäre echt übel und würde das Projekt etwas komplizierter machen, aber hier alles fluffig
![[Bild: 430er-jcs-0045.jpg]](https://i.postimg.cc/Y9ghY3HT/430er-jcs-0045.jpg)
dann bauen wir mal etwas Spannung auf...
da ich den Trafo nicht unter 230V messen möchte, kommt hier mein alter AC Trafo zum Einsatz... der liefert mir 22.3V AC, damit kann ich messen und dann auf 230V hoch skalieren... so bleibts sicher und ungefährlich...
![[Bild: 430er-jcs-0044.jpg]](https://i.postimg.cc/8z2GMVPK/430er-jcs-0044.jpg)
noch ein schönes Deteil, die Abstände der Bananenbuchsen sind genauso das ich da einen 230V Stecker reinpflanzen kann... (da hat sich echt einer Gedanken gemacht und das für nen 5er aufm Trödel... geil...)
![[Bild: 430er-jcs-0041.jpg]](https://i.postimg.cc/25t0Vzkw/430er-jcs-0041.jpg)
zuerst mal in die SM geschaut, welche Spannungen mit Mittenabgriff sind und welche ohne... also nur eine ohne Mittenabgriff und die sieht man eigentlich schon am Trafo selbst...
![[Bild: 430er-jcs-0042.jpg]](https://i.postimg.cc/9fwGgy2f/430er-jcs-0042.jpg)
jetzt heist es Messen, messen, messen, ... alles aufschreiben und schauen was ich damit alles machen kann...
![[Bild: 430er-jcs-0036.jpg]](https://i.postimg.cc/76swCJCn/430er-jcs-0036.jpg)
Aus den Spannungen sollte ich wohl alles gewinnen können was ich für Vor- und Enverstärker brauche und noch mehr...
vorne hab ich auch schon zwei Platinen für das Netzteil des Vorverstärker aufgebaut, die hab ich irgendwann mal beim freundlichen Menschen der aufgehenden Sonne mitbestellt und jetzt is soweit das sie gebraucht werden...
Nächster Punkt, schauen was an Transistoren dabei ist, Endstufen und Gleichrichter messen...
Wie messe ich denn so einen Transostor???
am einfachsten mit dem Diodentest auf dem Messgerät, dazu muss man ersteinmal wissen das Transistoren und auch Dioden eine Grundspannung brauchen um Stom leiten/schalten zu können im Regelfall sind das zwischen 500 und 700mV hier wird vom Spannungsabfall oder Durchlassspannung gesprochen... die Barriere die überwunden werden muss, damit der Strom fließen kann...
Das ist ein wichtiger Wert für den Aufbau einer Schaltung, gerade wenn wie hier Signale/Frequenzen verstärkt werden sollen... Hier liegt dann auch der Grund für das Bias oder die Grundstromversorgung einer Schaltung, um alle Bauteile in optimale Betriebsbereitschaftsbedingeungen(geiles Wort)  zu bringen, wenn das nicht gemacht würde gäbe es unschöne Klänge zu hören... das würde jetzt aber zu weit führen und werde ich wieder aufgreifen wenns an die Schaltungen geht (wenn ich dran denke)
Die Endstufen hier 2SA1695, PNP also für die Negativspannung...
hier fließt der Strom aus Richtung Emitter zum Kollektor durch Hilfe eines Schaltstrom der aus der Basis kommt, also klemme ich den Minus Pol an die Basis (hier links) und klemme den PlusPol an Emitter und dann an Kollektor, jetzt wird mir auf dem Messgerät angezeigt welche Spannung gebraucht wird um die Barriere bis zum leiten zu überwinden (der Spannungsabfall) in dem Fall hier 528 mV... (ich hoffe ich habs richtig erklärt und es ist verständlich)
![[Bild: 430er-jcs-0034.jpg]](https://i.postimg.cc/5Nx7jK50/430er-jcs-0034.jpg)
Hier dann noch der 2SC4468 für die positive Spannung,
hier fließt der Strom genau umgekehrt aus Richtung Kollektor zum Emitter durch Hilfe eines Schaltstrom der aus der Basis kommt, also klemme ich den Plus Pol an die Basis (hier auch links) und klemme den Minus-Pol an Emitter und dann an Kollektor auch hier wird mir wieder der Spannungsabfall angezeit...
![[Bild: 430er-jcs-0033.jpg]](https://i.postimg.cc/VNdMhnqJ/430er-jcs-0033.jpg)
Das gleiche mache ich dann auch mit den Gleichrichtern... die kleinen Transistoren habe ich nicht alle gemessen, wer weiß ob ich die überhaupt brauche...
![[Bild: 430er-jcs-0032.jpg]](https://i.postimg.cc/MGMM5xwG/430er-jcs-0032.jpg)
hier habe ich mir alles mal grob in die Bestandsliste geschrieben, wenn es an die Schaltungen geht hab ich immer im Blick was zur Verfügung steht...
![[Bild: 430er-jcs-0030.jpg]](https://i.postimg.cc/PJ25hFhj/430er-jcs-0030.jpg)
Notfals kann ich mich hier auch noch aus den gewonnenen (aus Schlachtgeräten) und teils gekauften Ersatzteilen bedienen... es dürfte also fast alles da sein... für das Projekt...
als letztes habe ich noch die to Do Liste aufm Plan
![[Bild: 430er-jcs-0031.jpg]](https://i.postimg.cc/3wFMP0Yn/430er-jcs-0031.jpg)
Einiges kann ich jetzt also abhacken, damit ich nicht den Überblick verliere...
Die Listen habe ich mir irgendwann mal angewöhnt, damit ich nichts vergesse, wenn ich im Bastelwahn bin oder keine Zeit habe... sicher ist sicher... (typisch deutsch halt)
Hm irgendwie ist es doch wieder was länger geworden...
Habt einen Musikreichen Nachmittag
und jetzt ab in die Sonne
Gruß Jens
Wissen und Erfahrungen zu teilen bedeutet...
jemand Anderem die Chance zu geben auf Augenhöhe zu kommunizieren...
Sei du selbst die Veränderung, die du in der Welt sehen möchtest...
Beiträge: 15
Themen: 2
Thanks Received: 63 in 13 posts
Thanks Given: 0
Registriert seit: Dec 2025
Bewertung:
0
Das ist mal ein interessantes Projekt. Ich liebe soclen "schrägen" Ideen.
Viele Grüße
Frank
1 Mitglied sagt Danke an E280F für diesen Beitrag:1 Mitglied sagt Danke an E280F für diesen Beitrag
• Musikliebhaber72
Beiträge: 243
Themen: 13
Thanks Received: 966 in 154 posts
Thanks Given: 692
Registriert seit: Jul 2024
Bewertung:
13
Mahlzeit!
Es geht weiter!
Da ich bei dieses Projekt ja viel lernen möchte, habe ich mich in den letzten Tagen und Wochen nebenbei auch mit dem Thema Simulationssoftware beschäftigt...
Im Netz gibt es ne Menge Auswahl...  f...
da heißt es dann erstmal durch viel Seiten, Foren, Berichte quälen... (da vergeht die Zeit wie im Flug...)
ich habe dann 3 Programme für mich gefunden, die von vielen Nutzern gebraucht werden
- KiCad
- LTspice
- SIMetrix
die Programme hab ich mir auf dem Rechner instaliert und damit versucht eine vorhanden Schaltung nachzuzeichnen und zu simulieren...
Mit Auto-CAD habe ich damals als Tischler schon gearbeitet und somit war der Einstiegt in diese Zeichenprogramme nicht ganz so schwierig... die sind vom Programmaufbau und vom Ablauf ähnlich aufgebaut...
das ist dabei herausgekommen...
KICad
ist vom Aufbau, von der Anordnung, für mein Arbeiten vollkommen unlogisch... die Bedienelemente sind über den ganzen Bildschirm verteilt, will man ein Bauteil platzieren, gibt es ein Schaltfeld, es öffnet sich ein Fenster und man sucht nach dem Bauteil das man plazieren möchte... es geben also keine voreingestellten Bauteilschaltflächen, die oft verwendet werden wie: Wiederstände, Transistoren, Dioden oder Kondensatoren... bei anderen Programmen geht das einfacher... das hat mich direkt angek... und es kostet einfach nur Zeit... (vielleicht gibts das auch noch zum einstellen, habe ich auf anhieb nicht gefunden...)
was für mich positiv war, hat man eine Zeichnung mal fertig, kann man sie simulieren (prüfen ob sie funktioniert, an verschiedenen Stellen messen, ...) und es gibt auch direkt ein Layauotprogramm dazu... die Schaltung wird also so umgetüdelt, das sie platzsparend auf eine Platine passt...
Beddienung in deutsch...
LTspice
vom Aufbau her finde ich die Software schon besser, es geben Schaltflächen für oft verwendete Bauteile, man kann die Schaltungen simulieren, messen, werte verändern, ... Vom Aufbau der Software kommt es meinen Vorlieben schon näher,
bei einer Simutaltion/Messung wird im oberen Teil der Arbeitsfläche das Ergebnis der Simulation angezeigt, sei es Frequenzen, Stromverlauf... und unten ist die Schaltung, wo man verschieden Messpunkte setzen kann...
Was die Bauteil auswahl angeht, sind viele Bauteile schon vorhanden, IC´s, Transistoren, Spulen, eigentlich alles was man so braucht... die Bauteilauswahl hat mir echt gut gefallen...
so richtig habe ich mich damit aber auch noch nicht anfreunden können (vielleicht auch zu schnell aufgegeben)...
Bedienung ist in englisch (f...)  echt schade...
SIMetrix
Die Software kommt vom Aufbau, von der Arbeitsweise AutoCAD am nächsten, ist für mein Arbeiten logisch aufgebaut, es sind viele vorgefertigte Schaltflächen für Bauteile, es wird ein Bauteil in die Schaltungsfläche gesetzt, alle Werte eingestellt (es teilweise zu viel einzustellen), dann kann man dieses Bauteil beliebig oft in der Schalung platzieren, drehen, spiegel, wie auch immer... es gibt in der Bibliothek schon eine gute Auswahl an Bauteilen, auch teilweise IC´s, Verstärker, teils auch für den Audiobereich... das Einarbeiten ist mir bei der Software leichter gefallen als bei den anderen... wenn man die Simulation macht und Messungen vornimmt (ähnlich wie beim Oszilloskop), teilt sich der Bildschirm in der Mitte, rechts wird die Grafik angezeitg, Ferquenz, Spannungen, was auchimmer und links ist die Schaltung wo man die Messpunkte setzten kann... es gibt eine gute Hilfeseite vom Softwarehersteller...
Nachteil bei diese Software ist, dass die Schaltungsgrößen (in der kostenlosen Version) vordefiniert ist, kann über eine gewisse Anzahl an Bauteilen - Knotenpunkten nicht hinausgehen... sie ist etwas komplexer als die anderen (für mein empfinden), teilweise sind die Einstellungen etwas zu viel für meinen Wissensstand und meinen Geschmack... neue Bauteile zu erstellen ist möglich, aber aufwendig...
Bedienung ist in englisch...
Was man bei allen Programmen kann, ist Bibliotheken einpflegen, bedeutet manche Hersteller stellen von ihren Bauteilen Bibliotheksdatanbanken zur verfügung wo man passende Daten für Bauteile entnehmen kann... aber eben nicht alle Bauteile, so habe ich mir schon den Wolf gesucht für die Endstufen meines Receivers, auf der Seite von Sanken geben es zwar auch Bauteildaten aber nicht zu den Transistoren, dann steht man echt auf dem Schlauch....
Ich habe mir die Bibliothekseinträge mit dem Editor mal angeschaut... eigentlich müsste es ja machbar sein mit Hilfe des Datasheet einen solchen Eintrag erstellen zu können, aber da komme ich wirklich an meine Grenzen...
Hier ist also eine Hürde von der ich im ersten Post gesprochen habe... gut zu wissen (Software ist nicht meins)...
bis jetzt habe ich da noch keine Lösung gefunden, vielleicht weiß ja von euch jemand wie man Bauteile oder den Eintrag für die Bibliothek erstellen kann...
so viel zu den Simulanten...
Heute ganz ohne Bildchen...
Habt einen musikreichen Abend
Gruß Jens
Wissen und Erfahrungen zu teilen bedeutet...
jemand Anderem die Chance zu geben auf Augenhöhe zu kommunizieren...
Sei du selbst die Veränderung, die du in der Welt sehen möchtest...
2 Mitglieder sagen Danke an Musikliebhaber72 für diesen Beitrag:2 Mitglieder sagen Danke an Musikliebhaber72 für diesen Beitrag
• xs500, nice2hear
Beiträge: 243
Themen: 13
Thanks Received: 966 in 154 posts
Thanks Given: 692
Registriert seit: Jul 2024
Bewertung:
13
Mahlzeit
Heute gehts um den Vorverstärker und ein dazu passendes Netzteil...
Da ich mich mit dem Thema nicht so gut auskenne, reparieren ist ne ganz andere Nummer als Bauen und verstehen, fängt mal wieder alles mit der Recherche im Internet an...
da findet man leider wie immer viel zu viel Auswahl... mir war wichtig das es so einfach wie möglich ist, so wenig Bauteile wie möglich und so viel wie nötig... was noch dazu kam ich wollte diese Schaltung auch in einer der Simulationssoftwaren aufbauen um sie dort zu messen...
mit der Suche kann man Stunden, Tage und auch Wochen verbringen... f...
so bin ich auch mal den umgekehrten weg gegangen, habe mir fertige Vorverstärker / Vorstufen rausgesucht und dann die Service Manuals studiert... aber alles was ich so gefunden habe war für meinen Geschmack viel zu kompliziert aufgebaut... viel zu viele Bauteile dann noch IC´s und und und... ich wollte ja auch verstehen wie die Schaltungen funktionieren...  wie Arbeitspunkte eingestellt werden, wie man das alles berechnet...
Zum Glück gibts den Zufall!
Ich habe irgendwas zum Thema Lautsprecher messen für meine Pioneer Prologue 100 gesucht... (da habe ich jetzt schon länger einen Ersatzhochtöner drin und wollte wissen wie man die Weiche dazu anpassen könnte)
Ich bin dann auf der Seite von "Franks Werkstatt der Lautsprechertechnik" gelandet war alles sehr informativ und super interessant was der macht... vor allem wie er es erklärt, kommt meiner Art zu lernen und zu verstehen sehr entgegen...
dann habe ich gesehen der hat auch einen Vorverstärker gebaut... Taaaaaadaaaa... 
ich hoffe, ich darf das hier so verlinken (wenn nicht bitte bescheid geben...)
spannendes Projekt, es kommt natürlich noch besser, die Schaltung wurde mit Software simuliert und erklärt was da passiert, wie, warum, weshalb, ... und dazu gibts ein Netzteil gebaut...
vom Video einen Screenshot machen und einen Strang nachbauen...
![[Bild: 430er-jcs-0057.jpg]](https://i.postimg.cc/yN3fLJPv/430er-jcs-0057.jpg)
alle Bauteile sind vorhanden bis auf den Transistor BD239, hierfür habe ich erstmal den kleineren Bruder eingebaut BC239C (der ist damit zwar überfordert aber für den Test reichts aus...) , BC107A - hierfür habe ich erstmal einen BC107B hergenommen...
![[Bild: 430er-jcs-0058.jpg]](https://i.postimg.cc/tTK7Fcg2/430er-jcs-0058.jpg)
quick an dirty... fertig...
![[Bild: 430er-jcs-0051.jpg]](https://i.postimg.cc/SQcxwDR8/430er-jcs-0051.jpg)
aus dem Trafo kommen 15,6V AC reicht das für 15V DC ...
![[Bild: 430er-jcs-0053.jpg]](https://i.postimg.cc/SNykH4HB/430er-jcs-0053.jpg)
einschalten und mit dem Poti justieren und taaadaaa... passt
![[Bild: 430er-jcs-0055.jpg]](https://i.postimg.cc/PfMkWcNw/430er-jcs-0055.jpg)
jetzt musste die Schaltung ans Oszi um die Restwelligkeit nach dem Gleichrichten sehen und das Endergebnis...
Linker Tastkopf klemmt an der oberen Diode, rechter Tastkopf am Ausgang...
Das Ergebnis, am Schaltungsausgang ist für mich nix mehr zu sehen von Restwelligkeit/Rippel... (trotz nicht passender Bauteile...)
Das gefällt mir und möchte ich mit den original Transistoren und beide Stränge aufbauen, so das ich damit dann +15V und -15V habe... erst dann kann ich ja sehen ob es so stabil läuft wie er es beschreibt wie es sich verhällt wenns warm wird und wie es sich unter last verhällt...
das ist der Momentane Stand des Projekts..Transistor BD239 habe ich bestellt und alle sonstigen Teile sollten da sein...
mal schauen ob ich das Netzteil im Simulantenprogramm nachbaue... würde sich ja anbieten, so lernmäßig...
es geht jetzt langsamer zur Sache mit neuen Beiträgen, bis jetzt habe ich ja berichtet was ich schon gemacht habe...
ab jetzt seid ihr also live dabei...
Habt ein musikreiches Wochenende
Gruß Jens
Wissen und Erfahrungen zu teilen bedeutet...
jemand Anderem die Chance zu geben auf Augenhöhe zu kommunizieren...
Sei du selbst die Veränderung, die du in der Welt sehen möchtest...
Beiträge: 243
Themen: 13
Thanks Received: 966 in 154 posts
Thanks Given: 692
Registriert seit: Jul 2024
Bewertung:
13
Mahlzeit
hier mal ein kleines Update.
obwohl die neuen Transistoren noch nicht da waren, hat mich die Ungeduld gepackt...
![[Bild: 430er-jcs-0059.jpg]](https://i.postimg.cc/GtdrN98d/430er-jcs-0059.jpg)
Netzteil und Vorverstärker-Schaltung auf ein Board gepackt alles irgendwie mal kreuz und Quer verdrahtet und Saft drauf... 
Und es ka wie es kommen musste  ... Der süße duft abgerauchter Bauteile...  (bins ja selber schuld)
![[Bild: 430er-jcs-0060.jpg]](https://i.postimg.cc/FF8w7Yst/430er-jcs-0060.jpg)
Transistor BC239 der kleine Bruder des eigentlichen BD239 hat das nicht verkraftet und hat sich ins unendliche ausgedehnt...
da zeigt sich wieder "Ungeduld ist ein schlechter Ratgeber/Motivator" (Spruch von meinem Opa)
einfach unter Erfahrung die man machen muss abhaken und fertig...
gestern sind endlich die Transistoren gekommen...
![[Bild: 430er-jcs-0061.jpg]](https://i.postimg.cc/nzybbrXh/430er-jcs-0061.jpg)
und die BC107a sind auch wieder aufgetaucht... jetzt werden endlich die beiden Netzteile für die Vorstufe fertiggestellt, auf der Netzteilplatte montiert und getestet...
Bilder folgen...
habt einen musikreichen Tag...
Gruß Jens
Wissen und Erfahrungen zu teilen bedeutet...
jemand Anderem die Chance zu geben auf Augenhöhe zu kommunizieren...
Sei du selbst die Veränderung, die du in der Welt sehen möchtest...
Beiträge: 243
Themen: 13
Thanks Received: 966 in 154 posts
Thanks Given: 692
Registriert seit: Jul 2024
Bewertung:
13
Mahlzeit
hier noch ein kleines Update bevor es ins Wochenende geht...
Erstmal Transistoren durchmessen und 4 Stück rausgesucht, die von den Werten am besten zusammen passen...
![[Bild: 430er-jcs-0069.jpg]](https://i.postimg.cc/W1yR7BWZ/430er-jcs-0069.jpg)
da waren tatsächlich 4 Stück die von den werten sehr gut passten...  die wurden heute eingelötet...
![[Bild: 430er-jcs-0076.jpg]](https://i.postimg.cc/nrSTJJQG/430er-jcs-0076.jpg)
Diese Woche hab ich schon etwas vorgearbeitet und alle Bauteile gemessen und die mit der geringsten Tolleranz zusammengestellt...
![[Bild: RX-V-jcs-0003.jpg]](https://i.postimg.cc/mrT98nPY/RX-V-jcs-0003.jpg)
Und wenn man dan schonmal dabei ist kann man jauch schon vorbereiten... da die Platinen klein sind und ich gerne etwas Luft um die Bauteile haben wollte, wurden sie kurzerhand für aufrechten Stand fertig gebogen...
![[Bild: RX-V-jcs-0002.jpg]](https://i.postimg.cc/sDF45w4m/RX-V-jcs-0002.jpg)
und wenn man schon daabei ist, kann man sie ja auch direkt mal auf der Platine verteilen und schauen obs von den Abmessungen passt...
![[Bild: RX-V-jcs-0006.jpg]](https://i.postimg.cc/CLmdwK5p/RX-V-jcs-0006.jpg)
... und wenn das alles schon gemacht ist... dann fehlt ja nur noch ein bisschen Lötzinn...
Was soll ich sagen die Platinen waren also schon vorbereitet und weil ja die Transistoren da waren, dachte ich mir warum heute nicht fertig machen...
![[Bild: 430er-jcs-0067.jpg]](https://i.postimg.cc/43RDM6Gh/430er-jcs-0067.jpg)
für die Leiterbahen habe ich 0.8er Kupferdraht genommen, ist für mich ein guter Komrpmis zwischen Stabilität Biegsamkeit und Lötbarkeit... also auch noch alles verdrahtet...
Notieren ich brauche noch Lack für Leiterbahnen damit da von unten nix mehr dran kommen kann...
![[Bild: 430er-jcs-0066.jpg]](https://i.postimg.cc/WbgL7YL2/430er-jcs-0066.jpg)
so dann alles Schritt für Schritt sauber zusammengetüdelt und gelötet... 
jep gefällt mir, ist ja für mich, also nur das Beste und Sauberste ist gut genug...
![[Bild: 430er-jcs-0064.jpg]](https://i.postimg.cc/NFx8sw2s/430er-jcs-0064.jpg)
dan kam der Moment des ausprobieren, da geht mir immer ein bisschen der Ar... auf Grundeis  aber das zeigt ja nur das es mir wichtig genug ist mir Gedanken daum zu machen...
als kleine Last wurden Glühwürmschen für die Gerätebeleuchtung angeklemmt und fertig... Fingers Cross und Saft drauf... tja läuft würde ich sagen... Geiler Scheiß...
![[Bild: 430er-jcs-0065.jpg]](https://i.postimg.cc/kMVB7C8D/430er-jcs-0065.jpg)
ein bisschen justieren und taddaaaaa... 15 V yeah...
Die 15V habe ich jetzt noch nicht gebrückt (um + - 15V zu haben) dafür sollen die zwei Platinen etwas länger laufen und zwischendurch die Last etwas verändern um zu schauen was die so aushalten... Natürlich auch mal mit dem Oskar ran um zu schauen was der Rippel macht und wie stabil die Ausgangsspannung bleibt...
dafür kanns dann auch auf die Trafo / Netzteilplatine...
damit gehts dann weiter...
habt einen musikreichen Abend
Gruß Jens
Wissen und Erfahrungen zu teilen bedeutet...
jemand Anderem die Chance zu geben auf Augenhöhe zu kommunizieren...
Sei du selbst die Veränderung, die du in der Welt sehen möchtest...
Beiträge: 243
Themen: 13
Thanks Received: 966 in 154 posts
Thanks Given: 692
Registriert seit: Jul 2024
Bewertung:
13
28.02.2026, 14:53
(Dieser Beitrag wurde zuletzt bearbeitet: 28.02.2026, 15:16 von Musikliebhaber72.)
Mahlzeit
einen hab ich noch für diese Woche und dann ist gut...
Es ging ja auch darum möglichst viel zu lernen, also hab ich die Schaltung vom Netzteil und Vorverstärker so nebenbei in Simetrix gezeichnet... und es hat tatsächlich funktioniert...
![[Bild: 430er-jcs-0080.jpg]](https://i.postimg.cc/mD2szcQR/430er-jcs-0080.jpg)
Alle Bauteile gefunden, außer einen Trafo den ich gerne so gezeichnet hätte wie diesen hier... Spannungen mit Mittenabgriff, die 4 Spannungen aus einer Wicklung + Mittenabgriff... die Simulation läuft und ich kann die Zeichnung mit den Netzteilen vergleichen...
![[Bild: 430er-jcs-0087.jpg]](https://i.postimg.cc/LXnmQYnS/430er-jcs-0087.jpg)
dazu habe ich sie schonmal aufs Netzteilbrett geschraubt, noch eine Sicherungsplatine vor den Trafo gebaut, mit Entstörkondensator...
Auf der Sekundärseite des Trafos kamen 2 x 16V mit Mittenabgriff an... also linke 16V für linkes Netzteil und rechter... wieder die Verbraucher angeklemmt und Trenntrafo an...
nach ein bisschen Abgleich über die Potis laufen die 15V stabil...
![[Bild: 430er-jcs-0081.jpg]](https://i.postimg.cc/pT2FmBG9/430er-jcs-0081.jpg)
Zwischen Kollerktor von BC107a und BC307A die Spannung abgegriffen(rote Markierung) und Masse an R 26 abgegriffen... Das DM zeigt 15,596V an und laut Simulation müssten es 15,626 sein...  da sind nur 30mV Unterschied... bei 15 V finde ich das einen wirklich guten Wert...
Ich hätte nie gedacht das die Simulation so nah an die gefertigte Platine ran kommt... nur Zufall?
Beim Vergleich mehrerer Stellen gibt´s keine großen Außreißer...
mal gespannt wie das mit der Simulation des Vorverstärker zu original passt... wenn da ein 1KHz Signal eingespeist wird...
Meine Begeisterung mal außen vor, habt ihr die gleichen Erfahrungen gemacht?
ist das ein guter Wert oder ehr noch zu ungenau... was sind eure Erfahrungen und mit welchen Programmen simuliert ihr eure Schaltungen (falls ihr es überhaupt macht)?
Habt einen musikreichen Samstag
Gruß Jens
Wissen und Erfahrungen zu teilen bedeutet...
jemand Anderem die Chance zu geben auf Augenhöhe zu kommunizieren...
Sei du selbst die Veränderung, die du in der Welt sehen möchtest...
3 Mitglieder sagen Danke an Musikliebhaber72 für diesen Beitrag:3 Mitglieder sagen Danke an Musikliebhaber72 für diesen Beitrag
• Caspar67, xs500, racingfreak
Beiträge: 1.533
Themen: 9
Thanks Received: 1.140 in 581 posts
Thanks Given: 114
Registriert seit: Nov 2021
Bewertung:
31
(28.02.2026, 14:53)Musikliebhaber72 schrieb: (...)
Das DM zeigt 15,596V an und laut Simulation müssten es 15,626 sein... da sind nur 30mV Unterschied... bei 15 V finde ich das einen wirklich guten Wert...
Ich hätte nie gedacht das die Simulation so nah an die gefertigte Platine ran kommt... nur Zufall?
Nö, kein Zufall, sondern schlichte Physik.
Du bist aber auch recht anspruchsvoll: Eine Abweichung von 0,03V bei einem Soll von 15V sind 0,2% und stammen nicht aus einer ,,Missdeutung" der Simulation, sondern aus der Differenz zwischen simulierter und realer Spannung. Stimmt 's?
(Na klar, denn die Simulation kennt keine Toleranzen, deine verwendeten Bauteile schon.)
1 Mitglied sagt Danke an Florida Boy für diesen Beitrag:1 Mitglied sagt Danke an Florida Boy für diesen Beitrag
• Caspar67
Beiträge: 243
Themen: 13
Thanks Received: 966 in 154 posts
Thanks Given: 692
Registriert seit: Jul 2024
Bewertung:
13
(01.03.2026, 15:13)Florida Boy schrieb: (28.02.2026, 14:53)Musikliebhaber72 schrieb: (...)
Das DM zeigt 15,596V an und laut Simulation müssten es 15,626 sein... da sind nur 30mV Unterschied... bei 15 V finde ich das einen wirklich guten Wert...
Ich hätte nie gedacht das die Simulation so nah an die gefertigte Platine ran kommt... nur Zufall?
Nö, kein Zufall, sondern schlichte Physik.
Du bist aber auch recht anspruchsvoll: Eine Abweichung von 0,03V bei einem Soll von 15V sind 0,2% und stammen nicht aus einer ,,Missdeutung" der Simulation, sondern aus der Differenz zwischen simulierter und realer Spannung. Stimmt 's?
(Na klar, denn die Simulation kennt keine Toleranzen, deine verwendeten Bauteile schon.)
Ich glaube du hast da was falsch verstanden, das ist meine erste Schaltung die ich gezeichnet und simuliert habe und bin erstaunt das die Simulation und Schaltung bei einer 15V Spannung nur 30mV abweichend sind....
ich hatte mit mehr gerechnet (viel mehr), gerade weil die Simulation mit Optimalwerten arbeitet und Bauteile alle eine Toleranz haben...
deshalb auch meine Frage wie eure Erfahrungen sind und ob jemand mit verschiedenen Simulationen gearbeitet hat... ob es da Unterschiede zwischen den Programmen gibt in der Qualität der Simulationsergebnisse...
also ich bin ehr begeistert, dass es so funktioniert hat...
Habt einen musikreichen Sonntag
Gruß Jens
Wissen und Erfahrungen zu teilen bedeutet...
jemand Anderem die Chance zu geben auf Augenhöhe zu kommunizieren...
Sei du selbst die Veränderung, die du in der Welt sehen möchtest...
Beiträge: 243
Themen: 13
Thanks Received: 966 in 154 posts
Thanks Given: 692
Registriert seit: Jul 2024
Bewertung:
13
Moin
ich hab da gerade ein Problem und bräuchte mal Expertenrat...
![[Bild: 430er-jcs-0090.jpg]](https://i.postimg.cc/bw96fkRP/430er-jcs-0090.jpg)
Also die beiden Schaltungskreise laufen ohne Brücke für sich stabil, auch bei Last 1,6W läuft alles stabil... sobalt ich beide Schaltungen in der Mitte - der oberen und + der unteren verbinde, fackelt mir der BD 239 der unteren Schaltung ab... (lag dann beim Testaufbau nicht nur an dem kleinen BC239C Transistor... )
ich habe jetzt mehrfach alles durchgemessen, verdrahtung kontrolliert, habe aber keinen Fehler gefunden...
Beide Transistoren BD239 werden ohne Brücke gut warm... fackeln aber nicht ab...
Mitbrücke ca. 3s dann wars das... egal ob ich die Brücke mit oder ohne Last rein mache...
Masse/GRD/GND führe ich nach hinten auf die Kupferplatte...
![[Bild: 430er-jcs-0091.jpg]](https://i.postimg.cc/26rLRL2W/430er-jcs-0091.jpg)
Hm, komisch ist das es in der Simulation funktioniert...
Transistoren habe ich alle nochmal komtrolliert und geschaut ob sie falsch angeschlossen sind... nix entdeckt...
auch ohne Brücke nochmal die Spannungen mit der Simulation verglichen... nix entdeckt...
sehe da gerade aufm Schlauch...
Gruß Jens
Wissen und Erfahrungen zu teilen bedeutet...
jemand Anderem die Chance zu geben auf Augenhöhe zu kommunizieren...
Sei du selbst die Veränderung, die du in der Welt sehen möchtest...
1 Mitglied sagt Danke an Musikliebhaber72 für diesen Beitrag:1 Mitglied sagt Danke an Musikliebhaber72 für diesen Beitrag
• alighiszem
Beiträge: 11
Themen: 1
Thanks Received: 15 in 8 posts
Thanks Given: 289
Registriert seit: Sep 2021
Bewertung:
0
Die beiden Schaltungen haben eine gemeinsame Erde durch den Mittenabgriff des Trafos. Der BD 230 versucht verzweifelt, Strom in die Erde zu pumpen. Wenn die sekundärwicklungen unabhängig wären, würde die Schaltung funktionieren.
Oder die negative Spannung sollte durch eine komplemäntere Schaltung erzeugt werden: Spiegelbild der positiven Spannungserzeugung, alle PNP sollten NPN und umgekehrt sein.
Wie hier:
2 Mitglieder sagen Danke an alighiszem für diesen Beitrag:2 Mitglieder sagen Danke an alighiszem für diesen Beitrag
• Florida Boy, Musikliebhaber72
Beiträge: 1.533
Themen: 9
Thanks Received: 1.140 in 581 posts
Thanks Given: 114
Registriert seit: Nov 2021
Bewertung:
31
So ist es. Nennt sich Potenzialausgleich.
In der beigefügten Schalte ist D2 verkehrt herum.
2 Mitglieder sagen Danke an Florida Boy für diesen Beitrag:2 Mitglieder sagen Danke an Florida Boy für diesen Beitrag
• Musikliebhaber72, alighiszem
Beiträge: 243
Themen: 13
Thanks Received: 966 in 154 posts
Thanks Given: 692
Registriert seit: Jul 2024
Bewertung:
13
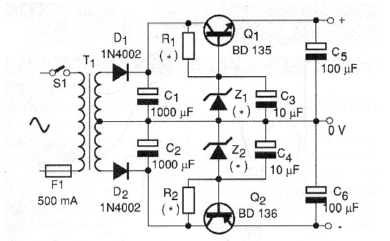
(03.03.2026, 13:51)alighiszem schrieb: Die beiden Schaltungen haben eine gemeinsame Erde durch den Mittenabgriff des Trafos. Der BD 230 versucht verzweifelt, Strom in die Erde zu pumpen. Wenn die sekundärwicklungen unabhängig wären, würde die Schaltung funktionieren.
Oder die negative Spannung sollte durch eine komplemäntere Schaltung erzeugt werden: Spiegelbild der positiven Spannungserzeugung, alle PNP sollten NPN und umgekehrt sein.
Wie hier:
![[Bild: kep-2026-03-03-135107044.png]](https://i.postimg.cc/TYsL0qHq/kep-2026-03-03-135107044.png)
Danke für deine Antwort!
![[Bild: 430er-jcs-0092.jpg]](https://i.postimg.cc/VsDChbNd/430er-jcs-0092.jpg)
nur noch mal für mich zum Verständnis, ich kann die Sekundärspannungen mit Mittenabgriff nicht einzeln verwenden wie in meiner Skizze?
Netzteil 1 ist eine Komplette Schaltung mit beiden Schaltungskreisen und Netzteil 2 ebenso...
Was mir gerade einfällt, die erste Schaltung hab ich an meinem Bastelbuden-Wechselstromtrafo getestet, da ist auch der kleinere Bruder BC239C hochgegangen...
habe gerade echt einen Knoten im Hirn...  sorry
Komplementär-Aufbau wäre noch ne gute Alternative... halte ich im Hinterkopf
Gruß Jens
Wissen und Erfahrungen zu teilen bedeutet...
jemand Anderem die Chance zu geben auf Augenhöhe zu kommunizieren...
Sei du selbst die Veränderung, die du in der Welt sehen möchtest...
Beiträge: 1.533
Themen: 9
Thanks Received: 1.140 in 581 posts
Thanks Given: 114
Registriert seit: Nov 2021
Bewertung:
31
Am Emitter von Q14 und am Kollektor von Q14 liegen je 0V (Masse) an. Er ist kurzgeschlossen.
Try this:
1 Mitglied sagt Danke an Florida Boy für diesen Beitrag:1 Mitglied sagt Danke an Florida Boy für diesen Beitrag
• Musikliebhaber72
Beiträge: 243
Themen: 13
Thanks Received: 966 in 154 posts
Thanks Given: 692
Registriert seit: Jul 2024
Bewertung:
13
(03.03.2026, 16:36)Florida Boy schrieb: Am Emitter von Q14 und am Kollektor von Q14 liegen je 0V (Masse) an. Er ist kurzgeschlossen.
Try this:
![[Bild: hqda02Ml.jpeg]](https://i.imgur.com/hqda02Ml.jpeg)
Super, danke dir 
das hilft mir weiter...
werde ich gleich mal in Simetrix nachbauen...
LG Jens
Wissen und Erfahrungen zu teilen bedeutet...
jemand Anderem die Chance zu geben auf Augenhöhe zu kommunizieren...
Sei du selbst die Veränderung, die du in der Welt sehen möchtest...
|