Beiträge: 1.263
Themen: 15
Thanks Received: 2.282 in 665 posts
Thanks Given: 3.080
Registriert seit: Apr 2019
Bewertung:
18
Mmmh, ich kenn das von Quarzschwingkreisen eigentlich so, dass sie entweder gar nicht oder auf der richtigen Frequenz schwingen. Könnte also auch ein Meßfehler sein. Ansonsten mit dem Oszi zu schauen ob der IC701 das entsprechende Signal an CX20084 liefert, müsste eigentlich im SM beschrieben sein wenn ich mich recht erinnere.
Ich denke für den IC701ist die Beschaffungslage ähnlich schlecht wie für den CX20084, da musst Du mal die Weiten des Internets durchforsten, evtl. war der ja noch woanders verbaut?
Beiträge: 762
Themen: 29
Thanks Received: 732 in 178 posts
Thanks Given: 130
Registriert seit: Jun 2012
Bewertung:
6
Hi,
ja auch ich melde mich mal wieder. Ich habe vor Monaten einen WM D6C in der Bucht geschossen. Es hieß er wäre deffekt. Ich bin das Risko eingegangen und habe ihn gekauft. Er spult vor und Zurück, Play funktioniert auch aber ohne Sound. Jetzt habe ich den Kollegen mal aufgemacht. Was sehe ich da? der Motor ist komplett lose. Da fehlen die beiden Schrauben, die ihn halten, die auch gleichzeitig die Feder anziehen. Frage: wo bekomme ich jetzt genau diese Schrauben her? Hat da Jemand eine Idee?
Gruß und ein freudiges Hallo mal wieder
Heiko
Beiträge: 4.682
Themen: 282
Thanks Received: 6.021 in 1.936 posts
Thanks Given: 221
Registriert seit: Sep 2015
Bewertung:
39
Ich hätte die Idee, im Service-Manual nachzusehen - da sind fast alle Schraubengrößen exakt angegeben.
Gruß
Thomas
Das Band darf an den Bandführungen nicht krempeln.
Die natürlichen Inhaltsstoffe können einen Bodensatz bilden.
Beiträge: 762
Themen: 29
Thanks Received: 732 in 178 posts
Thanks Given: 130
Registriert seit: Jun 2012
Bewertung:
6
09.04.2021, 10:42
(Dieser Beitrag wurde zuletzt bearbeitet: 09.04.2021, 11:57 von Der Ayki.)
Ohh das wäre Klasse. Dann kommt die nächste Frage: Wo bestellt man dann eben diese? Die sind ja schon sehr speziell und nicht einfach im Obi Markt zu koofen?;-)
Beiträge: 887
Themen: 23
Thanks Received: 3.969 in 574 posts
Thanks Given: 1.191
Registriert seit: Jan 2012
Bewertung:
67
2 Mitglieder sagen Danke an System-64 für diesen Beitrag:2 Mitglieder sagen Danke an System-64 für diesen Beitrag
• Der Ayki, runback
Beiträge: 762
Themen: 29
Thanks Received: 732 in 178 posts
Thanks Given: 130
Registriert seit: Jun 2012
Bewertung:
6
09.04.2021, 18:13
(Dieser Beitrag wurde zuletzt bearbeitet: 09.04.2021, 18:15 von Der Ayki.)
Jetzt mal ne andere Frage. Ich habe noch den D6 hier. Gibt auch kein Ton von sich. Ich habe jetzt mal beide geöffnet. Ich stelle die mal gegenüber und lasse euch mal den Unterschied feststellen;-)
Links D6C, rechts D6
Interieur D6C
Interieur D6
Platine D6C
Platine D6
Beiträge: 887
Themen: 23
Thanks Received: 3.969 in 574 posts
Thanks Given: 1.191
Registriert seit: Jan 2012
Bewertung:
67
Der D-6 ist das Vorgängermodell. Der WMD-6 hat kein Dolby-C, dafür zwei Kopfhörerbuchsen und einen Sendust Tonkopf.
Die Endabschaltung hat hier für den Spulbetrieb einen Hall-Sensor und keine Lichtschranke (D-6C). Bei Play erfolgt die Endabschaltung
bei beiden Geräten mechanisch und nicht elektronisch. Somit sind die Unterschiede nicht so ungewöhnlich.
VG Ralf
2 Mitglieder sagen Danke an System-64 für diesen Beitrag:2 Mitglieder sagen Danke an System-64 für diesen Beitrag
• Der Ayki, kandetvara
Beiträge: 762
Themen: 29
Thanks Received: 732 in 178 posts
Thanks Given: 130
Registriert seit: Jun 2012
Bewertung:
6
Ok, also fehlt da doch nichts drinne, schön. Jetzt aber eine andere Frage: Er gibt keinen Ton von sich. Spulen vor und zurück klappt. Play auch ohne zu klappern. Aber es kommt weder im Line Out noch was an den beiden Kopfhörerausgängen raus. Was kann es sein?
Beiträge: 762
Themen: 29
Thanks Received: 732 in 178 posts
Thanks Given: 130
Registriert seit: Jun 2012
Bewertung:
6
(09.04.2021, 18:31)System-64 schrieb: Der D-6 ist das Vorgängermodell. Der WMD-6 hat kein Dolby-C, dafür zwei Kopfhörerbuchsen und einen Sendust Tonkopf.
Die Endabschaltung hat hier für den Spulbetrieb einen Hall-Sensor und keine Lichtschranke (D-6C). Bei Play erfolgt die Endabschaltung
bei beiden Geräten mechanisch und nicht elektronisch. Somit sind die Unterschiede nicht so ungewöhnlich.
VG Ralf
Ok, danke, also fehlt da doch nichts bei der D6. Ich meinte diese Platine, die bei der D6 einfach fehlt.
Beiträge: 887
Themen: 23
Thanks Received: 3.969 in 574 posts
Thanks Given: 1.191
Registriert seit: Jan 2012
Bewertung:
67
(09.04.2021, 20:55)Der Ayki schrieb: ....... also fehlt da doch nichts bei der D6.
Nein.
VG Ralf
1 Mitglied sagt Danke an System-64 für diesen Beitrag:1 Mitglied sagt Danke an System-64 für diesen Beitrag
• Der Ayki
Beiträge: 762
Themen: 29
Thanks Received: 732 in 178 posts
Thanks Given: 130
Registriert seit: Jun 2012
Bewertung:
6
Was kann es so beim ersten Gedanken sein, wenn weder bei der Kopfhörerbuchse und dem Line Out nichts zu hören ist? Da gibt es doch sicherlich einen Defekt, der häufig bei diesen Walkmans gefunden wird?
Beiträge: 9
Themen: 0
Thanks Received: 1 in 1 posts
Thanks Given: 0
Registriert seit: Apr 2021
Bewertung:
0
16.04.2021, 10:21
(Dieser Beitrag wurde zuletzt bearbeitet: 16.04.2021, 10:27 von jt21.)
Hallo liebes Forum,
(zuerst einmal Verzeihung für die riesigen Abstände im Beitrag, die Forensoftware überschreibt immer meine Eingabe und setzt mir ein paar extra Leerzeilen zwischen alle Abschnitte. Eine Spoiler-/Ausklappfunktion für die großen Fotos habe ich ebenfalls nicht gefunden..)
ich habe kürzlich einen WM-D6C geschenkt bekommen inkl. eines Sony Stereomikrofons. Die Vorfreude beides auszuprobieren war natürlich groß, jedoch hat der Player irgendeinen defekt und ich habe leider auch keine Möglichkeit mehr herauszufinden, ob er bis zuletzt noch fehlerfrei lief. Ich habe bereits diverse Beiträge in deutsch- und englischsprachigen Foren durchsucht, jedoch konnte ich niemanden mit exakt derselben Problematik finden:
Beim Betrieb mit einem (richtig gepolten) Netzteil oder auch mit Batterien leuchtet die Batterie-Led, so weit so gut. Das Problem ist jedoch, dass es in keinem der diversen Modi einen Bandtransport in irgendeine Richtung gibt und auch mechanisch im Hintergrund nichts aktiv ist. Ebenfalls still ist es, wenn ich den Kopfhörerausgang und den Lineout benutze; nicht mal ein Rauschen. Bei anderen Nutzern scheint in der Regel zumindest entweder der Motor oder der Ton zu funktionieren, bei mir jedoch beides nicht.
Ich habe den Sony also mal von hinten her geöffnet und konnte kein augenscheinlich defektes Bauteil erkennen. Das hat mich als Löt-Laien ob der SMD Bauteile erstmal beruhigt, allerdings macht es die Sache dann wahrscheinlich doch komplizierter..
Was ich erstmal festellen konnte ist, dass in allen Modi die Mechanik richtig zu greifen scheint, wenn ich den jeweiligen Knopf betätige. Nichts ist eingeklemmt oder verbogen und der Gummiriemen wirkt auf mich ebenfalls noch nicht ausgeleiert. Ich bin also mal einem der Hinweise in einem Forum gefolgt und habe 1,5v (AA-Batterie) direkt an den Motor gelegt und siehe da, er funktioniert noch und dreht auch die ganzen Zahnräder usw. problemlos.
Ab hier komme ich jetzt aber leider schon an mein Limit, da ich nur sehr begrenzt Ahnung von Elektronik habe. Ein Multimeter zwecks Spannung messen ist vorhanden, allerdings bräuchte ich wohl eine Anleitung für Doofe, um das Ganze richtig anzustellen. Ich habe zwar online schon die Pdfs mit Schaltplänen gefunden, allerdings sind die zu messenden Spannungen da sehr schlecht eingescannt und unlesbar. Probleme scheinen sich ja oft um den IC601 zu drehen, welchen ich mir dann mal angesehen und zu prüfen versucht habe. Ob ich das korrekt gemacht habe, naja.. jedenfalls konnte ich auf einigen wenigen seiner Pins ein paar Volt messen und so ist er immerhin wohl noch nicht komplett tot.
Dies sind dann leider schon alle Details die ich geben kann (inkl. Fotos im Anhang) und nun bitte ich das Forum ganz lieb mir zu helfen!
Beiträge: 762
Themen: 29
Thanks Received: 732 in 178 posts
Thanks Given: 130
Registriert seit: Jun 2012
Bewertung:
6
Das würde mich auch interessieren, ob da was zu machen ist.
Beiträge: 9
Themen: 0
Thanks Received: 1 in 1 posts
Thanks Given: 0
Registriert seit: Apr 2021
Bewertung:
0
Beiträge: 1.442
Themen: 79
Thanks Received: 1.689 in 575 posts
Thanks Given: 1.307
Registriert seit: Jan 2021
Bewertung:
30
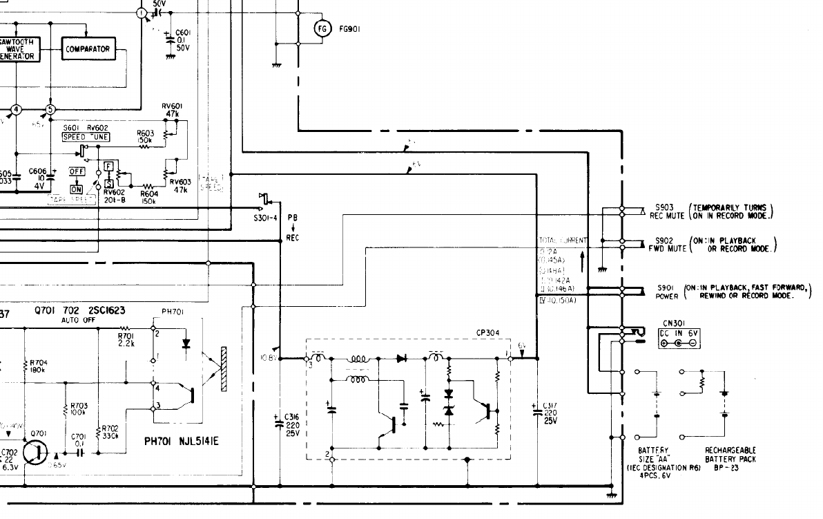
Der WM-D6C hat direkt hinter dem Akku einen DC-DC-Wandler, der aus den 6V vom Akku (oder Batterie) 10.8V machen soll.
Von den 10.8V wird sowohl die Motorsteuerung, als auch die Mute-Schaltung betrieben.
Ich könnte mir gut vorstellen, dass hier der Fehler liegt.
Gruß
Harald
Sleep is an abstinence syndrom caused by lack of coffeine
Beiträge: 1.442
Themen: 79
Thanks Received: 1.689 in 575 posts
Thanks Given: 1.307
Registriert seit: Jan 2021
Bewertung:
30
Addon:
Ich kann mir gut vorstellen, dass dieser wnalder in dem silbernen Kästchen steckt auf der hauptplatine auf deinem Foto ganz rechts direkt am Batteriefach...
Wenn der gehimmelt ist (kannst du ja ganz einfach messen), dann evtl durch einen Chine-Step-Up-Wandler auf LM25XX-Basis ersetzen -- wenn's passt platzmässig.
Problem kann aber Abschirmung werden, denn diese Wandler seuchen ziemlich mit HF in der Gegend rum -- daher auch das Blechkästchen drumrum.....
Sleep is an abstinence syndrom caused by lack of coffeine
Beiträge: 1.263
Themen: 15
Thanks Received: 2.282 in 665 posts
Thanks Given: 3.080
Registriert seit: Apr 2019
Bewertung:
18
Den DC-Wandler kann man offensichtlich auch instandsetzen, die dort drin verbauten Tantalelkos sind wohl die Hauptverdächtigen: CP304 Instandsetzung
1 Mitglied sagt Danke an Dude für diesen Beitrag:1 Mitglied sagt Danke an Dude für diesen Beitrag
• Gorm
Beiträge: 9
Themen: 0
Thanks Received: 1 in 1 posts
Thanks Given: 0
Registriert seit: Apr 2021
Bewertung:
0
Erstmal herzlichen Dank an euch beide! Gerade dieser Blogeintrag liest sich ja schon sehr nach meinem Problem.
Jetzt brauche ich dann allerdings doch nochmal die Anleitung für Doofe, wo genau ich in dem ganzen Wust die Messstelle finde. Direkt an dem Gehäuse von dem silbernen Kästchen? Da kriege ich jedenfalls 9,27v.
Beiträge: 9
Themen: 0
Thanks Received: 1 in 1 posts
Thanks Given: 0
Registriert seit: Apr 2021
Bewertung:
0
29.04.2021, 08:16
(Dieser Beitrag wurde zuletzt bearbeitet: 29.04.2021, 09:46 von jt21.)
Okay, ich hab jetzt festgestellt, dass das verwendete Netzteil leider ebenfalls ein Problem hat. Es ist ein universelles und hat durchgehend bei jeder Einstellung zu viel Volt.
Das heißt direkt am Netzteilstecker gemessen hat es auch schon 9,3v bei der eigentlichen 6v Einstellung; bei 3v messe ich 5,6v usw.
Da muss ich mir jetzt erstmal ein anderes Netzteil suchen und zudem hoffen, dass es nicht schon irgendein Bauteil vom Sony mit den 9,3v durchgebraten hat.
Sehr ärgerlich, dass ich damit vielleicht sogar unwissentlich selber noch was beschädigt habe, vor allem bei so einem schönen Player. Aber daraus lern ich wohl geschenktes/unbekanntes Equipment erstmal separat auf seine korrekte Funktion zu testen..
Nachtrag: ich habe das Netzteil (mangels Ersatz) jetzt mal so eingestellt, dass ich 5,6v habe, weil das ja den nötigen 6v noch am nächsten kommt. Ich weiß zwar immernoch nicht wirklich, wo ich genau messen soll, aber im Prinzip habe ich an allen Messpunkten in diesem Bereich vom Board entweder auch um die 5,6v oder gar keinen Strom. Also so wie ich es verstehe, soll das mutmaßlich defekte Bauteil ja für eine Umwandlung in knapp 11v sorgen oder? Diese kann ich jedenfalls nirgendwo messen, aber ich bin auch immernoch froh um einen Hinweis zum genauen Messpunkt, da ich wie gesagt nur Laie bin.
Beiträge: 9
Themen: 0
Thanks Received: 1 in 1 posts
Thanks Given: 0
Registriert seit: Apr 2021
Bewertung:
0
Beiträge: 1.263
Themen: 15
Thanks Received: 2.282 in 665 posts
Thanks Given: 3.080
Registriert seit: Apr 2019
Bewertung:
18
(16.04.2021, 10:21)jt21 schrieb: ![[Bild: DSC1571-1.jpg]](https://i.postimg.cc/DwLNvsyr/DSC1571-1.jpg)
Du kannst Die Ausgangsspannung des DC-DC Wandlers an den Beinen vom Elko C316 messen das ist von den beiden blauen neben dem silbernen Kästchen derjenige der zum Batteriefach hin sitzt. Zum Netzteil: In diesem Topic wird nahezu gebetsmühlenartig darauf hingewiesen keine unstabilisierten Netzteile zu verwenden, weil man das Gerät damit himmelt. Scheint aber irgendwie niemanden zu interessieren
Beiträge: 9
Themen: 0
Thanks Received: 1 in 1 posts
Thanks Given: 0
Registriert seit: Apr 2021
Bewertung:
0
Dankeschön für die Antwort Dude. Ich habe wie gesagt keine Ahnung von der Materie und war grundsätzlich erstmal davon ausgegangen, dass das Netzteil (was ja zuvor offensichtlich mit diesem Gerät zusammen verwendet wurde) auch korrekt funktioniert. Bzw hatte ich sowieso keine Ahnung, dass so Probleme auftreten können und den Thread hab ich logischerweise erst danach gefunden. Nunja, seis drum.
Nochmal zum Messen (sorry, ich brauchs wie gesagt für Doofe): Halte ich jeweils eine Spitze vom Multimeter an ein Beinchen? Oder geht eine ans Netzteil und eine an den Elko?
Bei ersterem messe ich nix und bei zweiterem 5,7v also das was auch das Netzteil momentan ausgibt.
Beiträge: 1.263
Themen: 15
Thanks Received: 2.282 in 665 posts
Thanks Given: 3.080
Registriert seit: Apr 2019
Bewertung:
18
Ja, jeweils eine Spitze an ein Beinchen. Wenn der eine Elko Netzteilspannung hat und der andere keine Sapnnung, dann ist der DC-DC Wandler tot. Mit etwas Glück hat dessen Ableben Schaden an weiteren Bauteilen verhindert.
Beiträge: 9
Themen: 0
Thanks Received: 1 in 1 posts
Thanks Given: 0
Registriert seit: Apr 2021
Bewertung:
0
Ja so ist es. Der Elko näher zum Batteriefach hin misst gar nichts, der der weiter weg ist misst 5,6v.
Das würde bedeuten ich müsste mir einen Ersatz für das silberne Kästchen besorgen (wahrscheinlich nicht möglich)? Bzw das irgendwie öffnen, wie in dem Link zu dem Blogpost beschrieben und eventuell einzelne Bauteile austauschen?
Beiträge: 1.263
Themen: 15
Thanks Received: 2.282 in 665 posts
Thanks Given: 3.080
Registriert seit: Apr 2019
Bewertung:
18
Ersatz zu besorgen dürfte schwierig sein. Nicht böse gemeint: Die bisherige Frage- und Antwortstunde lässt darauf schließen, dass Du bei eigenen Reparaturversuchen evtl. irreparable Schäden verursachen wirst, daher empfehle ich Ausbau und Reparatur des Wandlers von jemand mit Erfahrung durchführen zu lassen.
|