Themabewertung:
  • 2 Bewertung(en) - 3 im Durchschnitt
  • 1
  • 2
  • 3
  • 4
  • 5
Hilfe beim Bau von DIY Lautsprechern
#1
Hallo
Ich bräuchte Unterstützung und Rat bei Folgendem:

Meine Frau hat mir zum Valentinstag 2 Ausgaben von "Hobby HiFi" von der Tankstelle mitgebracht und die Lektüre hat eigentlich längst begrabene DIY Gelüste wieder erweckt. Ich bin dann in den Keller und habe mal geschaut was noch an Bauteilen rumliegt... 

Ich habe noch eine ganze Menge an LS Chassis hier von denen ich zumindest einen Teil gerne verwenden würde.

[Bild: box028cj2w.jpg]

[Bild: box033okon.jpg]

Desweiteren habe ich ein entsprechendes Handbuch, Weichenbauteile (angesammelte bipolare Kondensatoren, Widerstände und Spulen) sowie diverse Schlachtweichen, einen Laptop und ein hama-Mikrofon (für Messungen falls das damit geht), aber noch keine diesbezügliche Software.

Von einigen der zur Verfügung stehenden Chassis kann ich sicher im Netz Daten finden, von anderen vermutlich nicht. Eine entsprechende Software die den Boxenbau erleichtert findet sich bestimmt auch (Empfehlungen?).

Die Chassis der ebenfalls abgebildeten Arcus TL 200 stehen auch zur Verfügung. Darin sind neue Peerless TTs und Vifa HTs verbaut aber die Lautsprecher sind mir von den Abmessungen her zu voluminös und mit den erwähnten nicht-originalen Ersatzchassis haben mir diese transmission line Boxen klanglich nie zugesagt (es fehlt insgesamt an Bassvolumen und es gibt ein deutliche Loch im oberen Bassbereich. Die Lautsprecher klingen was Höhen und Mitten betrifft deutlich überbetont und spitz)

Was ich gerne tun würde:
1-2 Boxenpaare bauen, bei denen ich zumindest die 2 Visaton Tieftöner und die 4 Elac Tiefmitteltöner und die "besseren" der gezeigten Hochtöner verwenden kann.

Ich mag schlanke hohe Boxen wie die Spendor S8E, Canton Ergo 607 DC oder Elac EL 110 (und bei denen es sich nach meinem Verständnis um 2- bzw 2 ½- Wege Boxen handelt).

Kann ich mit den von mir gezeigten Chassis etwas derartiges und solide klingendes bauen (von entwickeln traue ich mich nicht zu sprechen) und wie würde ich das Problem des Weichendesigns und Gehäusevolumens vernünftig angehen können? 
Ich habe auch komplette 2- und 3-Wegweichen zB von Heco hier liegen. Gäbe es einen zielführenden Weg jene anzupassen?

Es muss klanglich nicht super werden, aber wäre toll wenn das Musikhören damit Spaß macht...

Im voraus Dank für konstruktive und freundliche gemeinte Ratschläge!
...sozialisiert in den 80ern...
Zitieren
#2
Ohne dass ich das jetzt schon mal gemacht hätte: Ich würde von den Thiele-Small-Parametern der Tieftöner ausgehend meine bevorzugte Gehäusebauform ausrechnen (geschlossen, Bassreflex, ...). Die Ergebnisse hängen dabei von der Auslegung der Tieftöner ab, d. h. für welche Gehäuseart sie ursprünglich konstruiert wurden.
Die von den Chassisherstellern angegebenen Übernahmefrequenzen bestimmen in erster Näherung die Trennfrequenz der Weiche. Hoch- und Tieftöner müssen aber nicht nur von der Trennfrequenz her zusammen passen, sondern auch die Empfindlichkeit sollte sich nicht zu sehr unterscheiden, ansonsten bekonnst Du die Balance zwischen Tiefen, Mitten und Höhen nur schwer in den Griff. Verschiedene Filterauslegungen (Steilheit des Übergangs und Phasenlage, davon hängt unter anderem die räumliche Abbildung der Wiedergabe ab) seien nur am Rande erwähnt. Hier gilt es wohl, sich in die Materie tief hineinzulesen, auch in den entsprechenden Nachbarforen, wenn das Ganze nicht zum Chassis- und Bretterweitwurf ausarten soll.
Dies schreibe ich nicht, um Dich zu entmutigen, sondern im Gegenteil, damit Du Dir mit entsprechender fundierter Vorbereitung ein Erfolgserlebnis schaffen kannst. Dass hier jemand mit genau diesen Chassis nach genau Deinen Vorstellungen was aus der Schublade zaubern kann, glaube ich eher weniger.
Ich wünsche Dir gutes Gelingen und würde mich über eine gelegentliche Vorstellung des Projekts freuen.
Das war aber schon kaputt, bevor ich es repariert habe!
[-] 1 Mitglied sagt Danke an rafena für diesen Beitrag:
  • DD 313
Zitieren
#3
Wie Rafena schon schrieb: zuerst das Gehäuse entwerfen, dazu braucht es die T-S Parameter des Tieftöners. Gehäuse bauen und im eingebauten Zustand die Frequenzgänge der Einzelchassis bestimmen. Das ist die Ausgangslage, damit wird dann an die Weichenkonstruktion gegangen. Das einfach zu simulieren funktioniert nicht, es bleibt ein iterativer Prozess und ohne Kontrollmessungen ist es ziemlich aussichtslos eine einigermaßen passable Konstruktion hinzubekommen.
Viele Grüße
Lukas
[-] 1 Mitglied sagt Danke an lukas für diesen Beitrag:
  • DD 313
Zitieren
#4
Erstmal euch Beiden Danke.

In der Tat ist das etwas entmutigend wenn auch nicht völlig hoffnungslos. Fraglich, ob sich der etwaige Aufwand lohnt. Andererseits ist Entsorgen sämtlicher Chassis keine echte Option für mich (ich bin Schwabe).

Gut, für die Visaton TTs kann ich versuchen das Gehäusevolumen zu berechnen; für die Elac TMTs liegt das eigentlich vor, da ich glaube jene stammen sowieso aus einer EL 100 bzw 130.

Inwiefern TT/TMT und HTs von der Empfindlichkeit zusammen passen könnten.... Keine Ahnung wie sich das vorab feststellen liesse.
...sozialisiert in den 80ern...
Zitieren
#5
Nachtrag: Zumindest die Visaton  TT und HT könnten zusammen passen, die hatte ich mal aus einer Hand gekauft.

Und für die Elac Chassis sollte sich ein passendes Paar HTs finden lassen - so viele wie hier rumliegen. Ich kann auch mal die Weichen meiner Elac EL 80 freilegen, da die Chassis glaube ich identisch sind.

Wenn ich das Ganze auf 2-Wege beschränke ist es für mich als Laien vielleicht nicht ganz so aussichtslos.

Ich muss auch sagen, dass im Lauf der Jahre einige lower budget Boxen aus den 70ern und 80ern bei mir zu Gast waren. Die waren gerne und oft mit Westra Chassis bestückt und simpel aufgebaut d.h. hatten  je einen Kondensator vor das Chassis gelötet und das war's.
Die waren klanglich durchaus ok bis gut (wenn auch sicher keine Offenbarung).
...sozialisiert in den 80ern...
Zitieren
#6
Gut, es wird also erstmal was mit dem Visaton TT und HT.

Alle Daten für den TT und HT liegen soweit vor (Link TTLink HT), nur ist mir nicht klar, wie ich auf das entsprechende Boxenvolumen komme und ob jetzt "geschlossen" oder "Bassreflex"...

Vielleicht kann jemand helfen?

An die Weiche würde ich mit dem Buch und Netz hintasten.

Nachtrag: Was die 4 Elac TMT Chassis betrifft bin ich jetzt auch schlauer. Die wurden wohl in den Lautsprechern Elac ELT 7, 9 und 10 verwendet (und nicht wie von mir gedacht in der EL 80/100). Wie die Weiche der ELT 7 aussieht weiss ich schonmal und Gehäusevolumen kann ich mir ja von den Wiki-Maßen ableiten...
...sozialisiert in den 80ern...
Zitieren
#7
Mit einem Qts von 1,23 benötigt der TT ein Boxenvolumen von mindestens unendlich - mit anderen Worten, Visaton hat an Magnbet gespart. Der Hinweis "...besonders als Ersatzbestückung für viele HiFi-Fertigboxen geeignet" meint, auch bei vielen Fertigboxen sind ungeeignete Tieftöner in viel zu kleinen Gehäusen eingebaut und dröhnen deshalb vor sich her. Den TT kannste wohl vergessen, es sei denn Du baust damit einen "offenen" Dipol-Lautsprecher.
Gruß Ralph

...listen to Spliff and you'll see the sun! Sun Sun Sun
[-] 1 Mitglied sagt Danke an Klangstrahler für diesen Beitrag:
  • DD 313
Zitieren
#8
Danke für den Hinweis.

Nichtsdestotrotz möchte ich die Chassis bestmöglich verbauen (Beschäftigungstherapie....) und im Klönschnack-Bereich wurde ja erst letzthin Low-Fi als total "in" abgefeiert.

Gibt es nicht doch eine okaye-Gehäusegröße für den Visaton TT und eine Empfehlung ob geschlossen oder Reflex?
...sozialisiert in den 80ern...
Zitieren
#9
Für Visaton gibts den Boxsim. Eventuell sind deine Chassis drin, dann kannst du damit schon mal rumspielen
http://www.visaton.de/de/service/literat...e/software
https://boxsim-db.de/
[-] 1 Mitglied sagt Danke an sing sing für diesen Beitrag:
  • DD 313
Zitieren
#10
Damit lässt sich schon was anfangen, evtl noch nen mitteltöner dazu.
Ich würde mal 30 -40 Liter geschlossen veranschlagen, evtl geht der als twqt/tl auch noch, aber dann wird er halt sehr viel huben müssen.
Ich setz mich mal hin guck mir das an.
[-] 1 Mitglied sagt Danke an tiefton für diesen Beitrag:
  • DD 313
Zitieren
#11
Hi,

so ein Schnellschuss mit boxsim.
etwas Pegellimimitert, weil die DT 94 nahe an der Reso betrieben wird, aber mit ferro und der pegelreduzierung müsste das schon gehen.
Ansonsten, großes Gehäuse, GHP und eine sanfte Mittensenke.
Kein Highend, aber geht mit überschaubarem Aufwand richtung Hifi  :-)
Idealerweise die Kalotte noch 2-3 Cdm aus der mitt Rücken.

vui Spaß!

[Bild: 1-1.png]

[Bild: 1-2.png]

[Bild: 1-3.png]
[-] 2 Mitglieder sagen Danke an tiefton für diesen Beitrag:
  • Taunussound, DD 313
Zitieren
#12
Thomas (tiefton) und Sing Sing
- super, ganz herzlichen Dank. Das hilft mir echt weiter!  Thumbsup

Dir, Thomas, besonderen Dank für die Arbeit die Du Dir gemacht hast und für die Tips!

Beste Grüße
Nigel
...sozialisiert in den 80ern...
Zitieren
#13
Ich habe mich auch einmal daran versucht. Dieses mal als "kompakte" mit 15L Volumen mit "quasi br" bzw ku.
[Bild: zBU6VvN.png]
[Bild: AAL4r8T.png]
[-] 1 Mitglied sagt Danke an Der_Robert für diesen Beitrag:
  • DD 313
Zitieren
#14
Uiiih - ihr seid ja super!
Mit dem ganzen Input kann ich mich an Planung und Bau wagen.
Zumindest habe ich dadurch eine vernünftige Basis, von der ich starten kann.
Einfach so ins Blaue hinein wäre vermutlich nichts geworden.
Nochmals vielen Dank!   Thumbsup
...sozialisiert in den 80ern...
Zitieren
#15
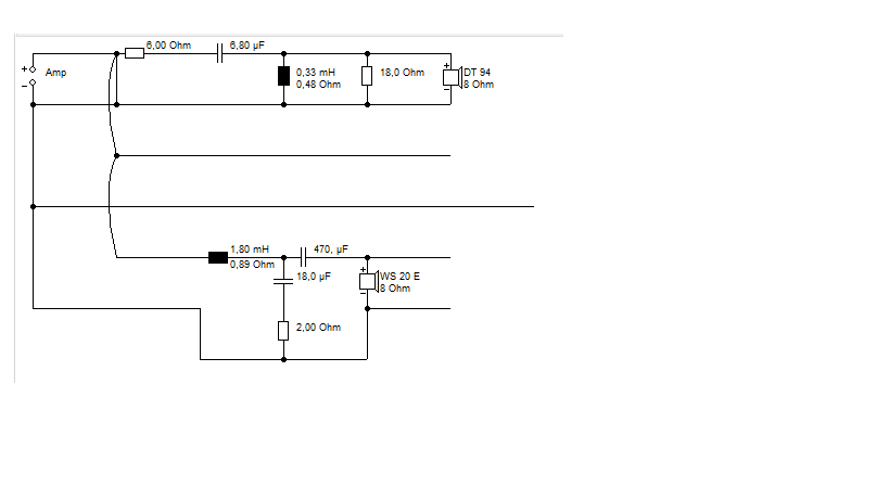
[Bild: WS20-E-DT94-weiche.png]

[Bild: WS20-E-DT94-freq.png]
Das Band darf an den Bandführungen nicht krempeln.

Die natürlichen Inhaltsstoffe können einen Bodensatz bilden. 
[-] 1 Mitglied sagt Danke an tiarez für diesen Beitrag:
  • DD 313
Zitieren
#16
Ich auch, ich auch!

[Bild: WS20-E-DT94-weiche.png]

[Bild: WS20-E-DT94-freq.png]
Das Band darf an den Bandführungen nicht krempeln.

Die natürlichen Inhaltsstoffe können einen Bodensatz bilden. 
[-] 1 Mitglied sagt Danke an tiarez für diesen Beitrag:
  • DD 313
Zitieren
#17
Star 
Klasse!
Also auf geht's zum Baumarkt nach MDF Platten schauen und in der Restholzkiste wühlen. 
Weichenbauteile habe ich ja noch genug.
Ich werde berichten :-)
...sozialisiert in den 80ern...
Zitieren
#18
Leute, Ihr seid klasse! Tiefton, Robert und Tiarez lassen hier genau den Film ablaufen, den ich eingangs beschrieben habe. Nicht draufloswursteln, sondern die heute zur Verfügung stehenden Möglichkeiten nutzen, damit ein planbarer Erfolg entsteht.
Da fällt mir ein, ich hätte da noch 2 alte Telefon-Hörkapseln in der Schublade liegen...    Raucher
Das war aber schon kaputt, bevor ich es repariert habe!
Zitieren
#19
(20.02.2019, 15:54)tiarez schrieb: Ich auch, ich auch!

At tiarez

Bevor ich jetzt hier lossäge und -fräse:
Für was für eine Gehäusegröße hattest Du denn die Berechnung gemacht? Oder hab ich das übersehen?  Denker

Besten Dank und Grüße!
Nigel
...sozialisiert in den 80ern...
Zitieren
#20
Ich weiß natürlich nicht emwomit drin sein er simuliert hat, aber ich würde ich sagen 40l geschlossen...
[-] 1 Mitglied sagt Danke an tiefton für diesen Beitrag:
  • DD 313
Zitieren
#21
Genau, 40-45 Liter als Standbox mit 24 Zentimeter Breite. 

Gruß

Thomas
Das Band darf an den Bandführungen nicht krempeln.

Die natürlichen Inhaltsstoffe können einen Bodensatz bilden. 
[-] 1 Mitglied sagt Danke an tiarez für diesen Beitrag:
  • DD 313
Zitieren
#22
So, hier geht es tatsächlich mal weiter.
Da ich mich nicht aufraffen konnte selber Gehäuse zu bauen, habe ich gewartet bis etwas Passendes als Ausgangsbasis vorbeikommt:

Links Gehäuse einer alten Beovox ca.36 Ltr, rechts Gehäuse einer nicht ganz so alten JBL ca. 26 Ltr.

Da kommen dann nur neue Fronten aus 19er MDF drauf; links wird vermutlich 3 Wege, rechts 2-Wege.
Sollte das Ergebnis befriedigend ausfallen wird natürlich lackiert / furniert. 

[Bild: IMG-20190606-093538.jpg]


Ganz so gut gefallen mir die Gehäuse nicht, da ich eigentlich auf schlanke, säulenartige Lautsprecher stehe. Aber da ich nicht selber bauen will...

Jetzt muss ich mal schauen, welche von den viel-zu-vielen Chassis die hier herumliegen optisch passen würden und dann fange ich mal an zu probieren. Falls ich auch die Visaton-Chassis verwende (was wahrscheinlich ist), werde ich den Input der obigen Beiträge selbstverständlich und nur allzu gerne verwenden.

Ansonsten wird es wohl viel trial and error, aber ich habe ja Zeit....

Beste Grüße!
...sozialisiert in den 80ern...
[-] 1 Mitglied sagt Danke an DD 313 für diesen Beitrag:
  • winix
Zitieren
#23
Was ich Dir anbieten könnte: 

Nach Entschluss zu einer festen Bestückung die Chassis bei mir zu vermessen und in ein BoxSim-Projekt einzupflegen. 

Gruß

Thomas
Das Band darf an den Bandführungen nicht krempeln.

Die natürlichen Inhaltsstoffe können einen Bodensatz bilden. 
[-] 1 Mitglied sagt Danke an tiarez für diesen Beitrag:
  • DD 313
Zitieren
#24
Oh super - Danke!!!
Das Angebot nehme ich gerne an!
Thumbsup
...sozialisiert in den 80ern...
Zitieren
#25
Habe mir mal die verschiedenen Optionen angeschaut und eine Vorauswahl getroffen (die Visaton sind erstmal nicht mehr mit dabei) ..:

JBL-Gehäuse (ca. 26 Ltr):

Am liebsten hätte ich einen Aufbau wie bei meinen Elac EL 80 gehabt (links). Dies ist aber leider nicht möglich, obschon das JBL-Gehäuse zwar dasselbe Gesamtvolumen besitzt, aber weniger lang gestreckt ist. Daher müsste der HT versetzt liegen....
Durchmesser und Länge des Bassreflexrohres sind gleich (ca 6,5 cm Durchmesser). Ich hätte die Weiche der EL 80 kopieren können, aber die Elac Chassis sind nicht identisch (sehen nur ähnlich aus). Als Hochtöner hatte ich an einen Tonsil GDWK 10/80/18 4 Ohm oder JBL A026TS  gedacht (beide rund) oder an einen quadratischen alten Heco (KHC19 ???):

[Bild: Geh-use-JBL-01.jpg]


Beovox-Gehäuse (ca. 36 Ltr):

Variante 1 (links): Hier fände ich es klasse wenn eine Lösung mit meinem TT Peerless SLS 10 möglich wäre (PeerlessSLS 10, JS123Q0110, Qc 120326). Das Paar hatte ich vor ein paar Jahren neu gekauft, aber nie zufriedenstellend einsetzen können.  
MT wäre dann ein älterer Quadral M 110/20/5/PF (922011 5 Ohm) und Hochtöner ein Vifa D27 TG-37-06 6 Ohm den ich damals zusammen mit dem Peerless TT bei Hellsound gekauft habe. Dies wäre meine bevorzugte Variante.

Variante 2 (rechts): Zwei Westra TT, nur einer sähe ein bisschen arm aus (KW-200-1324-4Ohm und KW-200-1314-4Ohm), MT ein alter Heco Kalottenmitteltöner (Bild) aus der Heco-Box P2302SL oder ein Heco Kalottenmitteltöner KMC 38/4, HT eine meiner Heco Kalotten zB KHC 19 ???(Bild).


[Bild: Geh-use-Beovox-01.jpg]


Wäre über im doppelten Wortsinn konstruktiven Input dankbar :-) 
Vielen Dank!

Und speziell At tiarez:
Hallo Thomas - was meinst Du dazu? Und welche Chassis sollte ich Dir ggf zuschicken? Besten Dank schonmal im voraus!!!

Grüße
Nigel
...sozialisiert in den 80ern...
Zitieren


Möglicherweise verwandte Themen…
Thema Verfasser Antworten Ansichten Letzter Beitrag
  HiFi DIY zimbo 578 309.652 04.11.2025, 17:49
Letzter Beitrag: spocintosh
  DIY Tröten mit PA - Genen [alles was fein und! laut kann] Kimi 24 1.341 03.11.2025, 23:36
Letzter Beitrag: source
  DIY Tröten im Oldschool Design Kimi 55 19.013 03.11.2025, 07:51
Letzter Beitrag: moskito
  Der Kabel-Thread hier kann alles rein von DIY bis 10K € HisVoice 723 417.406 16.10.2025, 08:52
Letzter Beitrag: gyp
  DIY Plattenspieler Eigenbau Markus2005 85 56.625 09.01.2025, 20:22
Letzter Beitrag: Telefunker
  DIY Plattenspieler Laufwerk Telefunker 10 3.088 06.01.2025, 17:55
Letzter Beitrag: Telefunker



Benutzer, die gerade dieses Thema anschauen: 1 Gast/Gäste