Beiträge: 4
Themen: 0
Thanks Received: 18 in 4 posts
Thanks Given: 6
Registriert seit: Oct 2025
Bewertung:
0
(22.10.2025, 22:09)nice2hear schrieb: (22.10.2025, 21:57)Radiofreund schrieb: :.....
Empfangsleistung und Klang sind spitze. Lediglich der Suchlauf bleibt leider nur bei sehr starken Stationen stehen. Selbes gilt für die automatische Umschaltung auf Stereo.
Schwächere Sender, die aber absolut gut hörbar und nur mit minmalem Rauschen empfangbar sind, bleiben Mono und lassen sich nicht in Stereo empfangen.
Ich habe daher einen Widerstand mit 47K am TDA1578A gegen einen 22K getauscht, nun lassen sich schwächere Sender zumindest beim manuellen Tunen in Stereo empfangen.
Löblich fand ich den Kundenservice von ReVox Deutschland. Habe sie wegen dem Service Manual angeschrieben und ca. eine Stunde darauf bekam ich sämtliche Unterlagen als PDF im Anhang. Echt klasse.
Herzlich willkommen im OFF und danke für das erste Posting, und das im Tuner Thread und mit Bildern. Quasi alles richtig gemacht.
Das Fehlerbild passt bei anderen Synthesizern auch zur Discriminator-Fehlabstimmung...
Ist das im Manual beschrieben, ggf. auch mit 0,x V Messung an 2 Messpunkten? Konntest du das messen?
VG Peter 
Hallo Peter und vielen Dank für die nette Begrüßung.
Meinen Namen hatte ich vergessen im Post: René, südlich von Frankfurt im Odenwald.
Ich bin zwar mit dem Lötkolben einigermaßen geschickt, leider fehlt mir sehr viel in Sachen Schaltplan lesen und auch die Messmittel sind begrenzt. Multimeter und das war es auch schon. Elektronische Bauteile sind mir aber überwiegend bekannt und ich kann sie in einer Schaltung und dem Schaltplan auch identifizieren.
Bisher habe ich nur den Demodulator laut Servicemanual auf 7 Volt DC abgeglichen und den Lokal Oszillator nach Vorgabe abgeglichen. Meine Lernkurve ist da noch recht unten, aber steigt täglich etwas an^^
73, René
1 Mitglied sagt Danke an Radiofreund für diesen Beitrag:1 Mitglied sagt Danke an Radiofreund für diesen Beitrag
• timilila
Beiträge: 1.411
Themen: 77
Thanks Received: 1.601 in 557 posts
Thanks Given: 1.246
Registriert seit: Jan 2021
Bewertung:
30
23.10.2025, 04:08
(Dieser Beitrag wurde zuletzt bearbeitet: 23.10.2025, 04:12 von ted_am_see.)
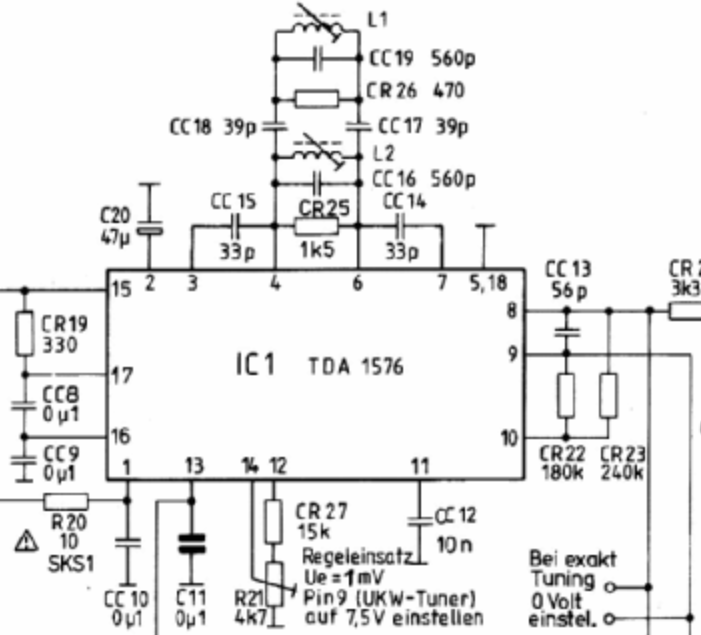
Auf dem Foto sieht man doch den TDA1576. Das sollte der FM/ZF-Verstärker und Diskriminator sein.
Auf Radiomuseum gibt es öffentlich einen Beispiel-Schaltungsausschnitt:
Also in dem Revox mal schauen, ob an Pin 14 sowas wie der Schleifer eines Trimmers hängt (Plan hast Du ja sagst du) und dann bei exakter Senderabstimmung mit dem Trimmer so einstellen, dass zwischen Pin 8 und 9 null volt DC liegen.
Das ist auch der Wert, der wahrscheinlich vom danebenliegenden TEA6100 an den Mikroprofessor weitergeleitet wird (der TEA ist für das interfacing zwischen Analogteil und i²c-bus zuständig)
Viel Erfolg!
Schönes Gerät!
Gruß
Harald
Sleep is an abstinence syndrom caused by lack of coffeine
1 Mitglied sagt Danke an ted_am_see für diesen Beitrag:1 Mitglied sagt Danke an ted_am_see für diesen Beitrag
• timilila
Beiträge: 4
Themen: 0
Thanks Received: 18 in 4 posts
Thanks Given: 6
Registriert seit: Oct 2025
Bewertung:
0
(23.10.2025, 04:08)ted_am_see schrieb: Auf dem Foto sieht man doch den TDA1576. Das sollte der FM/ZF-Verstärker und Diskriminator sein.
Auf Radiomuseum gibt es öffentlich einen Beispiel-Schaltungsausschnitt:
![[Bild: Bildschirmfoto-vom-2025-10-23-05-04-06.png]](https://i.postimg.cc/dQB9gCdc/Bildschirmfoto-vom-2025-10-23-05-04-06.png)
Also in dem Revox mal schauen, ob an Pin 14 sowas wie der Schleifer eines Trimmers hängt (Plan hast Du ja sagst du) und dann bei exakter Senderabstimmung mit dem Trimmer so einstellen, dass zwischen Pin 8 und 9 null volt DC liegen.
Das ist auch der Wert, der wahrscheinlich vom danebenliegenden TEA6100 an den Mikroprofessor weitergeleitet wird (der TEA ist für das interfacing zwischen Analogteil und i²c-bus zuständig)
Viel Erfolg!
Schönes Gerät!
Gruß
Harald
Schönen guten Morgen Harald und vielen Dank für die Hilfestellung.
Das werde ich dann direkt angehen und natürlich berichten.
Grüße, René
1 Mitglied sagt Danke an Radiofreund für diesen Beitrag:1 Mitglied sagt Danke an Radiofreund für diesen Beitrag
• timilila
Beiträge: 224
Themen: 1
Thanks Received: 118 in 59 posts
Thanks Given: 65
Registriert seit: Sep 2021
Bewertung:
3
war der TDA 1576 nicht das europäischen Pendant zum CA3189?
Beiträge: 23.662
Themen: 275
Thanks Received: 27.836 in 9.658 posts
Thanks Given: 31.114
Registriert seit: Nov 2010
Bewertung:
101
(23.10.2025, 04:08)ted_am_see schrieb: Also in dem Revox mal schauen, ob an Pin 14 sowas wie der Schleifer eines Trimmers hängt (Plan hast Du ja sagst du) und dann bei exakter Senderabstimmung mit dem Trimmer so einstellen, dass zwischen Pin 8 und 9 null volt DC liegen.
Trimmer? Für mich ist hier L2 die Diskriminator-Spule für den 0V Abgleich.
"We learned more from a three minute record than we ever learned in school" , Bruce Springsteen in "No surrender" played als Song 2 im Mai 2013 in Hannover
2 Mitglieder sagen Danke an nice2hear für diesen Beitrag:2 Mitglieder sagen Danke an nice2hear für diesen Beitrag
• Radiofreund, timilila
Beiträge: 1.411
Themen: 77
Thanks Received: 1.601 in 557 posts
Thanks Given: 1.246
Registriert seit: Jan 2021
Bewertung:
30
(23.10.2025, 08:48)nice2hear schrieb: (23.10.2025, 04:08)ted_am_see schrieb: Also in dem Revox mal schauen, ob an Pin 14 sowas wie der Schleifer eines Trimmers hängt (Plan hast Du ja sagst du) und dann bei exakter Senderabstimmung mit dem Trimmer so einstellen, dass zwischen Pin 8 und 9 null volt DC liegen.
Trimmer? Für mich ist hier L2 die Diskriminator-Spule für den 0V Abgleich.
Yöp, right. Natürlich.
War spät in der nacht.....
Sleep is an abstinence syndrom caused by lack of coffeine
3 Mitglieder sagen Danke an ted_am_see für diesen Beitrag:3 Mitglieder sagen Danke an ted_am_see für diesen Beitrag
• nice2hear, Radiofreund, timilila
Beiträge: 106
Themen: 8
Thanks Received: 203 in 55 posts
Thanks Given: 297
Registriert seit: Aug 2024
Bewertung:
1
Moin,
Mir ist ein „neuer“Tuner zugelaufen. Kenwood KT-980F. Wurde hier noch nicht gezeigt.
Anfangs hat das Display nicht geleuchtet. Daraufhin habe ich die ganze Front zerlegt, um dann beim Messen festzustellen, dass es dann manchmal leuchtet. Genauer hingeschaut und gesehen, dass einige Lötstellen offen waren.
Also nachgelötet und alles sauber gemacht.
X-Mal getestet und zusammengebaut und weiter getestet.
Nach dem Anschließen an die Testanlage, eingeschaltet und: tot. Na klasse. Wieder auf die Werkbank und wieder auseinander. Diesmal kalte Lötstelle im Netzteil.
Jetzt läuft er.
Viele Grüße Lars
12 Mitglieder sagen Danke an AeroLars für diesen Beitrag:12 Mitglieder sagen Danke an AeroLars für diesen Beitrag
• Musikliebhaber72, nice2hear, xs500, triple-d, hadieho, Geruchsneutral, Forza SGE, timilila, Radiofreund, kandetvara, traveller, HiFi1991
Beiträge: 215
Themen: 11
Thanks Received: 846 in 133 posts
Thanks Given: 653
Registriert seit: Jul 2024
Bewertung:
10
(24.10.2025, 08:27)AeroLars schrieb: Moin,
Mir ist ein „neuer“Tuner zugelaufen. Kenwood KT-980F. Wurde hier noch nicht gezeigt.
Anfangs hat das Display nicht geleuchtet. Daraufhin habe ich die ganze Front zerlegt, um dann beim Messen festzustellen, dass es dann manchmal leuchtet. Genauer hingeschaut und gesehen, dass einige Lötstellen offen waren.
Also nachgelötet und alles sauber gemacht.
X-Mal getestet und zusammengebaut und weiter getestet.
Nach dem Anschließen an die Testanlage, eingeschaltet und: tot. Na klasse. Wieder auf die Werkbank und wieder auseinander. Diesmal kalte Lötstelle im Netzteil.
Jetzt läuft er.
Viele Grüße Lars
![[Bild: IMG-9219.jpg]](https://i.postimg.cc/sDyf4w7d/IMG-9219.jpg)
Erstmal Glückwunsch zum Tuner 
Das sieht aber ganz schön aufgeräut auf der Platine aus, auch die Abgrenzung der einzelnen Bereiche durch die Markierungen, sehr vorbildlich da hat sich ein Ing. richtig Gedanken beim Design gemacht...
da braucht man nicht viel Suchen und das Reparieren mach doppelt Spaß...
Gruß Jens
Wissen und Erfahrungen zu teilen bedeutet...
jemand Anderem die Chance zu geben auf Augenhöhe zu kommunizieren...
Sei du selbst die Veränderung, die du in der Welt sehen möchtest...
1 Mitglied sagt Danke an Musikliebhaber72 für diesen Beitrag:1 Mitglied sagt Danke an Musikliebhaber72 für diesen Beitrag
• timilila
Beiträge: 23.662
Themen: 275
Thanks Received: 27.836 in 9.658 posts
Thanks Given: 31.114
Registriert seit: Nov 2010
Bewertung:
101
24.10.2025, 10:10
(Dieser Beitrag wurde zuletzt bearbeitet: 24.10.2025, 14:16 von nice2hear.)
(24.10.2025, 09:45)Musikliebhaber72 schrieb: …..Das sieht aber ganz schön aufgeräut auf der Platine aus, auch die Abgrenzung der einzelnen Bereiche durch die Markierungen, sehr vorbildlich da hat sich ein Ing. richtig Gedanken beim Design gemacht...
da braucht man nicht viel Suchen und das Reparieren mach doppelt Spaß...
Gruß Jens
Das findet man bei vielen Kenwood Tunern, u.a. beim KT1100. Aber auch bei anderen. Hier im Thread auch zu finden.
Guckst du hier auf Seite 204
https://old-fidelity-forum.de/thread-794...pid1711719
"We learned more from a three minute record than we ever learned in school" , Bruce Springsteen in "No surrender" played als Song 2 im Mai 2013 in Hannover
2 Mitglieder sagen Danke an nice2hear für diesen Beitrag:2 Mitglieder sagen Danke an nice2hear für diesen Beitrag
• Musikliebhaber72, HiFi1991
Beiträge: 23.662
Themen: 275
Thanks Received: 27.836 in 9.658 posts
Thanks Given: 31.114
Registriert seit: Nov 2010
Bewertung:
101
28.10.2025, 14:59
(Dieser Beitrag wurde zuletzt bearbeitet: 29.10.2025, 08:39 von nice2hear.)
(05.07.2025, 14:24)nice2hear schrieb: Wochenende Anfang Juli, Zeit für eine "Tunerbusinessauszeit".... Bis dann mal....
so, dann ist jetzt! Fast 4 Monate Zurückhaltung is enough...
meinte Werner aus BI auch und schenkte mir (wobei sein Angebot ja für alle OFF User galt) den hier...
YAMAHA T-S500, modernerer Synthie der von 2009-2018 (lt. hifiengine Eintrag) verkauft wurde, immerhin 10 Jahre lang.
EDIT: der T-S500 sowie sein großer Bruder T-S1000 dürften die allerletzten reinen** HiFi-FM-Stereotuner gewesen sein, die YAMAHA angeboten hat.
Das macht diesen Tuner für mich doch zu einem "speziellen" Teil der HiFi-Historie, auch wenns noch kein Vintage oder Old Fidelity ist.
** Ein T-D500 gabs auch in der Zeit, war zusätzlich mit DAB/DAB+ u. FB dabei!
orig. BA war auch dabei, auf dem Bild unter Neuzugänge zu erkennen.
Ist fernsteuerbar, hat nen eigenen IR-Sensor, gehört aber keine eigene FB dazu.
Geht über eine RAX26/WS50050 System-FB, die beim Verstärker (A-Sxxx) oder Receiver (R-Sxxx) der Serie dabei ist.. Gerade als original Gebrauchte ein paar in der Bucht, ab 18€..
Edit2: hab auf Yamaha.de ne Anleitung für den T-D500 FM/DAB(+) Tuner MIT extra FB WV15130 gefunden, die wohl "nur für diesen Tuner gedacht ist.
![[Bild: vvqFIAEl.png]](https://i.imgur.com/vvqFIAEl.png)
sollte beim S500/1000 auch gehen.
Schauen wir mal rein: sehr ordentlicher Aufgebau nenn ich das mal.
ZOOM
![[Bild: DSC04988.jpg]](https://i.postimg.cc/XY7bFXcq/DSC04988.jpg)
Platinenbestückung von oben, Elkos, Transistoren und ... viele Brücken,,,, ordentliche Beschriftung, tlw. mit Spannungsangaben.
keine ICs oder Filter zu erkennen. Mal sehen, ob ich bei Gelegenheit mal "von unten" schaue....
Der Empfangsteil &more scheint alles im silbernen Kästchen (Herst. KSE) verbaut zu sein, Frontend, PLL, ZF u. Decoder.... für FM u. AM...
Werners Angebot war ja: tot, defekt, nix geht... aber geschenkt.
Wie das erste "Strom u. Radio geht"-Bild oben am Postanfang entstehen konnte folgt im nächsten Beitrag.
War nicht so aufregend wie seinerzeit im jetzt "nur 2t modernsten meines Stapels", dem Cambridge Audio 640T.. Ihr wisst noch, auch "tot", wo mir dann ein neues kompatibles Display das Gerät gerettet hatte..
Dazu lohnte sich nen eigener Reparaturthread https://old-fidelity-forum.de/thread-33891.html
"We learned more from a three minute record than we ever learned in school" , Bruce Springsteen in "No surrender" played als Song 2 im Mai 2013 in Hannover
3 Mitglieder sagen Danke an nice2hear für diesen Beitrag:3 Mitglieder sagen Danke an nice2hear für diesen Beitrag
• hadieho, Chromkiste, HiFi1991
Beiträge: 9.850
Themen: 84
Thanks Received: 11.192 in 4.517 posts
Thanks Given: 6.316
Registriert seit: Jun 2011
Bewertung:
89
In der silbernen Schachtel steckt ein Einchip-Radio CNVMB 114M oder ähnlich. Vielleicht kennt ein Blechtrottel das? An den Anschlüssen könntest nur die Spannungen und was noch messtechnisch bei dir geht checken.
Viel Erfolg!
Ist vermutlich nur noch eine schwatte Stapelkiste ...
Beiträge: 23.662
Themen: 275
Thanks Received: 27.836 in 9.658 posts
Thanks Given: 31.114
Registriert seit: Nov 2010
Bewertung:
101
28.10.2025, 19:57
(Dieser Beitrag wurde zuletzt bearbeitet: 29.10.2025, 11:26 von nice2hear.)
ääähh, ja nee, in der Blechkiste ist ja alles tippitoppi.
Also, Fehlerdiagnose war wie angekündigt nicht dramatisch schwierig (was die Story hier auch kurz hält... dachte da könnte mehr Threadcontet bei rumkommen..
Also nach dem Einschalten (nix auf dem Display, auch die Power-LED aus) hab ich mal an Volt-beschrifteten BE* gemessen. Nix, null, nada, weder Gleichspannungen und auch (vor den Gleichrichterdioden [über dem Netztrafostecker links auf der Platine]) keine Wechselspannung zu messen.
* Zur Erinnerung, T-S500 SM oder Schaltplan hab ich im Netz nicht gefunden.
Heißt auf der Trafosekundärseite kommt "nix" raus.
die 230V liegen aber an der Primärseite an, Netzschalter und Feinsicherung also i.O.
TRafo hinüber?? 
mmmhh, YAMAHA und Netztrafos, da war doch was???
Richtig, oft sind trafointern in der Primärwicklung Thermosicherungen verbaut, und freundlicherweise ist das hier auf dem Trafotypaufkleber auch dokumentiert.
![[Bild: DSC04989.jpg]](https://i.postimg.cc/0NyzvQ76/DSC04989.jpg)
eine Thermosicherung, die bei 133 Grad an der Wicklung auslöst = durchbrennt.
Im SP zeigt Yamaha das so: (aus dem R-S500 Receiver der selben Serie)
und nun? Trafo ausbauen und abwickeln, bis man an die Sicherung kommt?
Nee, glücklicherweise hat Yamaha beim Trafo die Anschlüsse für die Fuse extra nach außen geführt:
![[Bild: DSC04989-Kopie.jpg]](https://i.postimg.cc/KYCxWvfz/DSC04989-Kopie.jpg)
beim genauen Hinsehen erkennt man den "Leerschlauch" mit den BE-Anschlussdrähten.
So kann man also einfach die Sicherung überbrücken... und
![[Bild: DSC04990.jpg]](https://i.postimg.cc/8kZTvSfr/DSC04990.jpg)
im Hintergrund die weiße Testkabelbrücke. und Tuner läuft einwandfrei... nicht mal ein Diskriminatorabgleich ist notwenig, liegt genau auf der Frequenz...
Das Testkabel ist inzwischen durch eine kurze Lötbrücke ersetzt...
damit ist der Trafo zZ nicht mehr gg. eine Überhitzung größer 133º C geschützt.. darf ich den Tuner halt nicht mehr "voll aufdrehen"..
"We learned more from a three minute record than we ever learned in school" , Bruce Springsteen in "No surrender" played als Song 2 im Mai 2013 in Hannover
Beiträge: 1.411
Themen: 77
Thanks Received: 1.601 in 557 posts
Thanks Given: 1.246
Registriert seit: Jan 2021
Bewertung:
30
28.10.2025, 21:15
(Dieser Beitrag wurde zuletzt bearbeitet: 28.10.2025, 21:15 von ted_am_see.)
Immerhin --- gut, dass die Thermosicherung wenigstens rausgelegt ist.
Aber ein Trafo, der so anfängt zu kochen..... Da wäre mir Mulmig. Zumal so ein Tuner ja wirklich super belüftet ist .....
Ich würde jetzt die Sekundärspannung(en) messen und den Trafo durch einen etwas dickeren, der mehr Strom bei weniger Temperatur kann ersetzen.....
Sleep is an abstinence syndrom caused by lack of coffeine
2 Mitglieder sagen Danke an ted_am_see für diesen Beitrag:2 Mitglieder sagen Danke an ted_am_see für diesen Beitrag
• nice2hear, traveller
Beiträge: 23.662
Themen: 275
Thanks Received: 27.836 in 9.658 posts
Thanks Given: 31.114
Registriert seit: Nov 2010
Bewertung:
101
28.10.2025, 22:17
(Dieser Beitrag wurde zuletzt bearbeitet: 28.10.2025, 22:18 von nice2hear.)
also ein "Kochen" kann ich nach über 7 Std. durchlaufendem Betrieb (aber ohne Deckel) weder an der Wicklung von außen noch am Trafoblechpaket bei einer Fingerprobe  feststellen, würde es als lauwarm/handwarm bezeichnen.
Der Tuner ist ein 230V Gerät und ist mit 9W angegeben.
Gemessen habe ich bei 235V Netzspannung einen AC Primärwicklungsstrom von 28,3mA, entspricht 6,65W/VA Realverbrauch.
"Größeren neuen kompatiblen Trafo" produzieren zu lassen ist wirtschaftlich nicht abzubilden, der hat so 7-8 Sekundärwicklungen.. ähnlich wie oben beim Trafo vom R-S500 Schaltplan oben zu sehen.
"We learned more from a three minute record than we ever learned in school" , Bruce Springsteen in "No surrender" played als Song 2 im Mai 2013 in Hannover
Beiträge: 1.411
Themen: 77
Thanks Received: 1.601 in 557 posts
Thanks Given: 1.246
Registriert seit: Jan 2021
Bewertung:
30
28.10.2025, 22:21
(Dieser Beitrag wurde zuletzt bearbeitet: 28.10.2025, 22:21 von ted_am_see.)
(28.10.2025, 22:17)nice2hear schrieb: [...]
"Größeren neuen kompatiblen Trafo" produzieren zu lassen ist wirtschaftlich nicht abzubilden, der hat so 7-8 Sekundärwicklungen.. ähnlich wie oben beim Trafo vom R-S500 Schaltplan oben zu sehen.
Ach du grüne Neune.....
Nee völlig klar. Und wenn der Trafo sonst kühl bleibt, dann hilft nur Schulterzucken und wundern, warum die Thermosicherung fliegen gegangen ist......
Viele Grüsse
Harald
Sleep is an abstinence syndrom caused by lack of coffeine
1 Mitglied sagt Danke an ted_am_see für diesen Beitrag:1 Mitglied sagt Danke an ted_am_see für diesen Beitrag
• nice2hear
Beiträge: 9.850
Themen: 84
Thanks Received: 11.192 in 4.517 posts
Thanks Given: 6.316
Registriert seit: Jun 2011
Bewertung:
89
Solche Thermosicherung löst nicht ohne Grund aus. Wenn das Radio weiter eingesetzt werden soll, würde ich eine passende Glassicherung primär einbauen.
Beiträge: 23.662
Themen: 275
Thanks Received: 27.836 in 9.658 posts
Thanks Given: 31.114
Registriert seit: Nov 2010
Bewertung:
101
29.10.2025, 10:06
(Dieser Beitrag wurde zuletzt bearbeitet: 29.10.2025, 11:25 von nice2hear.)
Holger, ist ja werksseitig ne T200 verbaut "hinter" dem Powerschalter, oben im Trafobild rechts unter dem Netzkabelsteckkontakt zu erahnen..
![[Bild: DSC04989-Kopie-2.jpg]](https://i.postimg.cc/sXZ59DjH/DSC04989-Kopie-2.jpg)
mal sehen ob ich davon eine 200mA F(link) habe, wär aber wohl nur fürs Gewissen vermute ich.
Werner hat auch noch ne 109 ºC Thermosicherung liegen, aber die bekommt man ja nicht "in" die Trafowicklung(en) korrekt eingebaut,
und draußen auf die Wicklung anbringen bringts mMn nicht, 100ºC wirds da nicht heiß
(wenns keinen Wicklungsschluss oder Kurzschluss in den 4 Gleichrichterdioden gäbe, und ich denke dass dann erst die T200 SI "stirbt").
"We learned more from a three minute record than we ever learned in school" , Bruce Springsteen in "No surrender" played als Song 2 im Mai 2013 in Hannover
Beiträge: 23.662
Themen: 275
Thanks Received: 27.836 in 9.658 posts
Thanks Given: 31.114
Registriert seit: Nov 2010
Bewertung:
101
Transplantation gelungen... Teil aus 1987er Onkyo TX Receiver in einen 1995/96er AKAI AT Tuner verpflanzt... geht:
Kenner wissen Bescheid um was es ging.
![[Bild: DSC04995.jpg]](https://i.postimg.cc/mDrG7qxx/DSC04995.jpg)
ZOOM:
Werner hatte den gleichen (nicht den selben, sondern seinen Zwilling) AKAI AT-3000RDS letzten schon versehentlich im "OFF Standardtuner"-Thread gezeigt..
Dieser war hier stehen gebleiebn und lüppt nun wieder  ..
(ONKYO TX Reste weiter zu verschenken.... siehe BIETE Forenteil)
"We learned more from a three minute record than we ever learned in school" , Bruce Springsteen in "No surrender" played als Song 2 im Mai 2013 in Hannover
Beiträge: 3.479
Themen: 409
Thanks Received: 3.595 in 1.308 posts
Thanks Given: 54
Registriert seit: Jan 2018
Bewertung:
48
 nice2hear
Das ist ja ganz großes Tennis, das der Tuner seine Arbeit wieder aufgenommen hat.
Meiner funktioniert mit Deiner Hilfe auch wieder sehr gut :
MfG Werner
Beiträge: 23.662
Themen: 275
Thanks Received: 27.836 in 9.658 posts
Thanks Given: 31.114
Registriert seit: Nov 2010
Bewertung:
101
noch 2 abschliesende (von mir) Sachen zum AKAI AT-3000:
weil wir ja gerade den YAMAHA T-S500 mit der defekten Thermosicherung im Netztrafo hatten... auch AKAI hat sowas eingesetzt
![[Bild: DSC04998.jpg]](https://i.postimg.cc/bvWDhHsd/DSC04998.jpg)
diese ist aber fein
und mal Mecker für die AKAI Marketingleute in den Neunzigern:
![[Bild: Bildschirmfoto-2025-11-12-um-11-23-23.png]](https://i.postimg.cc/RhMM5NQR/Bildschirmfoto-2025-11-12-um-11-23-23.png)
wie kann man im HiFi Hochglanzkatalog von 95/96 den Tuner ohne STEREO Sender einfach mit der Startfrequenz 87,5 MHz darstellen??
NIcht nur diesen, auch beim AT-57. Und den AA-49 Receiver hatten sie beim Photoshooting gar auf LW mit 351kHz stehen 
Ich hoffe die Produktmanager waren damals nicht dabei..
"We learned more from a three minute record than we ever learned in school" , Bruce Springsteen in "No surrender" played als Song 2 im Mai 2013 in Hannover
3 Mitglieder sagen Danke an nice2hear für diesen Beitrag:3 Mitglieder sagen Danke an nice2hear für diesen Beitrag
• HiFi1991, ted_am_see, xs500
Beiträge: 4
Themen: 0
Thanks Received: 18 in 4 posts
Thanks Given: 6
Registriert seit: Oct 2025
Bewertung:
0
Beiträge: 23.662
Themen: 275
Thanks Received: 27.836 in 9.658 posts
Thanks Given: 31.114
Registriert seit: Nov 2010
Bewertung:
101
09.12.2025, 12:36
(Dieser Beitrag wurde zuletzt bearbeitet: 09.12.2025, 14:51 von nice2hear.)
Moin, Wochen.. äähh nee.
Egal, bei mir ist gerade etwas Bewegung ins Tunerbusiness gekommen, einige mussten abreisen, ein Neuer wurde in den HERMES Kastenwagen geladen und sollte gleich (Update: ab 17:15) an der Haustür sein.
Beim letzten ST-Z55 Bild fiel mir meine Kenwood KT-9x Baustelle mit dem SpeicherRAM Bug wieder ein.
Da gibts ja einige optische Ähnlichkeiten...
![[Bild: DSC05031.jpg]](https://i.postimg.cc/8PKVbG34/DSC05031.jpg)
Silberne Alufront, links Power-Knopf und nen paar LEDs, dann das Display, rechts dann 8 Stationstasten..
Rückblick zum April 25, der TOL Kennie vergaß alle gespeicherten Daten beim Neueinschalten, MN1203 RAM als defekt identifiziert.
Wer die Story vom Frühjahr nachlesen mag: https://old-fidelity-forum.de/thread-794...pid1712311
Kam dann aus dem Forum ein ErsatzRAM-Chip, mit ON (oder 0N?) gelabelt.
Erster Austausch war leider ohne Erfolg... Spender empfahl dann "leg mal nen halbes Jahr an die Seite, es gibt ne Chance der Selbstregenerierung...., war bei mir so."
Gesagt getan am 14.4... und heute dann wieder eingesetzt
![[Bild: DSC05030.jpg]](https://i.postimg.cc/nrwpMtfw/DSC05030.jpg)
und??? 
Ausgeschaltet, bis 20 gezählt, eingeschaltet.. 
das Bild mit " AM und 531kHz" spar ich mir.. wobei ich gestehe auch nicht so richtig an eine Wunderheilung geglaubt zu haben,,,
Das Schicksal des eigentlich sehr guten KT-9x ist noch offen.... möchte hier jemand "speichermässig" basteln?? Rest lüpft topp.
"We learned more from a three minute record than we ever learned in school" , Bruce Springsteen in "No surrender" played als Song 2 im Mai 2013 in Hannover
2 Mitglieder sagen Danke an nice2hear für diesen Beitrag:2 Mitglieder sagen Danke an nice2hear für diesen Beitrag
• triple-d, HiFi1991
Beiträge: 23.662
Themen: 275
Thanks Received: 27.836 in 9.658 posts
Thanks Given: 31.114
Registriert seit: Nov 2010
Bewertung:
101
Zitat " wobei ich gestehe auch nicht so richtig an eine Wunderheilung geglaubt zu haben"
ääähh, ich glaube es jetzt nicht.
wat denn da los?? der 9x speichert wieder und vergisst nix mehr...
was ist geschehen?
Ordentlich wie Peter ist, hat er den geliehenen 0N labeled Chip wieder durch den ursprünglichen (aber auch 7 Monate eingetüteten) 0D Chip ersetzt, Deckel wieder draufgeschraubt und Routinemäßig noch mal eingeschaltet und gecheckt.....
Mein Gesicht nach dem Einschalten hätte ich wirklich gerne gesehen... ungläubig hab ichs dann noch (vor dem Video) 2 mal mit unterschiedlichen Auszeiten getestet. nix, geht, alles gut.
Ist also doch was dran mit der wundersamen MN 1203 Regenerierung (für xx "was auch immer") durch "Einlagern"..
Nun folgt der Langzeit"aus"test über den Nachmittag...
Grüße vom immer-noch-kopfschüttelnden P aus D..
"We learned more from a three minute record than we ever learned in school" , Bruce Springsteen in "No surrender" played als Song 2 im Mai 2013 in Hannover
Beiträge: 1.411
Themen: 77
Thanks Received: 1.601 in 557 posts
Thanks Given: 1.246
Registriert seit: Jan 2021
Bewertung:
30
.... meine Grauen Zellen geraten grad in Resonanz an der Stelle..... War da nicht auch mal was ganz ähnliches mit einem Speicherchip damals in Telefunken-TV's (ich meine 712er Chassis oder so..... irgendwas klingelt da in meinem Hirn)
Sleep is an abstinence syndrom caused by lack of coffeine
Beiträge: 23.662
Themen: 275
Thanks Received: 27.836 in 9.658 posts
Thanks Given: 31.114
Registriert seit: Nov 2010
Bewertung:
101
09.12.2025, 15:59
(Dieser Beitrag wurde zuletzt bearbeitet: 09.12.2025, 16:00 von nice2hear.)
mmmh, mein TV Technikerwissen habe ich recht frühzeitig nach Beendigung der Ausbildung u. des Jobs "abgegeben..." (wir waren auch eher ein Nordmende Laden, SPECTRA und so, aber das wird hier off topic.  )
"We learned more from a three minute record than we ever learned in school" , Bruce Springsteen in "No surrender" played als Song 2 im Mai 2013 in Hannover
1 Mitglied sagt Danke an nice2hear für diesen Beitrag:1 Mitglied sagt Danke an nice2hear für diesen Beitrag
• ted_am_see
|