Themabewertung:
  • 33 Bewertung(en) - 3.42 im Durchschnitt
  • 1
  • 2
  • 3
  • 4
  • 5
Dat-Recorder
Klingt nach den Elkos auf dem Driveboard.
Zitieren
(13.09.2020, 21:57)hdrobien schrieb: Hallo

Ich versuche einen 1000ES zu reparieren und bin zu dem Schluss gekommen, dass das Problem bei der Karte "MD SERVO BOARD" liegt (der vollständige Austausch das Lauftwerk ändert nichts).

Hat jemand eine solche Karte?

Ich wollte jetzt gerade meine Karte aus einem funktionierenden 1000er ausbauen und verschicken. Jetzt startet der rechte Bandwickel nicht.
Habe hier etwa 20 Platinen. Die Hälfte davon macht Probleme. Entweder starten die Bandwickel nicht, die Kopftrommel oder beides.
Zusätzlich gibt es Probleme mit der Bandgeschwindigkeit. Erst bei einem 1000er, jetzt bei einem zweiten ebenfalls. Es läuft deutlich zu schnell.
Muss jetzt erstmal Klarheit schaffen, was hier los ist.
Zitieren
AtHdrobien

ich hatte so ein Problem auch einmal. Hast Du die Spannung auf dem Power Board kontrolliert. Bei mir fehlte eine Spannung (ein Sicherungswiderstand war hochohmig geworden und da sind einige drin) und das Laufwerk zeigte dieses Verhalten.

AtSwobi,

das mit der doppelten Geschwindigkeit habe ich auch bei ein paar Cassetten (der Recorder ist selber Top in Ordnung) . Es sind Sony 125 Meter Cassetten die laufen alle doppelt so schnell. Eine von 3M mit 125 Metern läuft einwandfrei. Mittlerweile vermute ich einen Zusammenhang mit den Cassetten Kodierschaltern, bzw. den Bohrungen auf der Unterseite. Der DTC 1000 hat sechs davon unter der Cassette.

Einmal war die Kopftrommel die Ursache für die doppelte Geschwindigkeit (hatte ich damals im HF gepostet).
[-] 1 Mitglied sagt Danke an Suprasius für diesen Beitrag:
  • hdrobien
Zitieren
Die zu schnelle Bandgeschwindigkeit scheint ansteckend zu sein. Jetzt schon das dritte Gerät. Machmal ist der Bandstart auch normal, beim nächsten Mal wieder nicht.

Beim ersten Gerät hatte ich alle Laufwerksknomponenten nacheinander getauscht:

Vom Capstan über die Bandwickeleinheit, Drumdriveboard bis zur kompletten Flexleiterbahneinheit mit den Kontakten. Kein Erfolg. Digitalboard ebenfalls erfolglos getauscht. Das dritte Gerät stand jetzt einige Wochen im Regal, bei Inbetriebnahme startete der rechte Bandwickel nicht mehr. Rotary Encoder zerlegt, gereinigt, kein Erfolg.

Dann die Lösung, die doch keine ist:

Die Bereitschaftsposition der Andruckrolle auf 5mm Abstand zum Capstan eingestellt. Rechter Bandwickel startet sauber u. rucktrei. Nur ein zehntel mm weniger u. nix geht mehr.

Eigentlch ist dieses 1000er LW mein absolutes liebstes von allen, aber im Moment....



Wenn ich den R E zum Reinigen öffne, trenne ich die verbleibenden Stifte, die ja nix mehr zusammenhalten können bis auf den inneren komplett ab. An diesen Positionen wird dann mit 1 mm durchgebohrt. Mit den Gehäuseschrauben aus kaputten Dat Cassetten wird das R. E. Gehäuse dann wieder sauber verschlossen. Rechts der pottschwarze Reinigungsstäbchen.
[Bild: QOu8VVg.jpg]


[Bild: YPZvAeT.jpg]
[-] 2 Mitglieder sagen Danke an Swobi für diesen Beitrag:
  • , Suprasius
Zitieren
Hallo Suprasius

Ich hatte die Spannungen bereits überprüft, werde aber wieder von vorne beginnen.
Sony DTC-1000ES/55ES/59ES PCM-2700/7010/7030/7050, Luxman KD-117, Denon DTR-2000, Sharp RX-100, Panasonic SV-DA10, Aiwa HD-S1 XD-001/S260/S1100, Yamaha DTR2, Samsung DT-850
Zitieren
In der kleine Bucht fiel mir vor einiger Zeit ein Sony DTC- ZE700 ins Auge, in wahrhaft jämmerlichem Zustand, komplett verdreckt und noch mit geladenem Band. Da der Preis niedrig zweistellig war habe ich ihn gekauft, als Ersatzteillager wäre er bestimmt noch zu benutzen. Der Eindruck des Verkaufsfotos bestätigte sich, er sah wirklich übel aus. Kurz aufgeschraubt und die Kassette entladen, immerhin kein mit dem Kopf verbackenes Band, aber sicher aus einem Raucherhaushalt, alle Kunststoffteile in quittengelb, selbst die Trommel nur noch gelblich silbern schimmernd. 

[Bild: Elektronik-20200927-030.jpg]

Passend zu Herbstbeginn kam die Lust auf etwas Basteln auf und ich habe das Gerät zerlegt. Dabei fielen mir ein längliches Metallstück sowie eine kleine Schraube entgegen. Das ist der Anker zum blockieren des Ladegetriebes, und der Elektromagnet war lose:

[Bild: Elektronik-20200930-036.jpg]

Erfreulicherweise ließen sich alle Kunststoffteile wieder weiß bekommen, auch die Trommel strahlte nach intensiver Reinigung wieder wie neu. Ich habe im Kopfverstärker alle Elkos gewechselt, wäre aber wohl nicht nötig gewesen, sahen alle dicht aus. Aber das Gerät soll ja noch so 20-30 Jahre funktionieren!

[Bild: Elektronik-20200927-032.jpg]

Läuft gut, Spur stimmt, stabil trotz der abenteuerlichen Bandführung:

[Bild: Elektronik-20201007-053.jpg]

[Bild: Elektronik-20201004-051.jpg]

Die beiden Potis kratzten und mußten zerlegt und gesäubert werden. Das kleine ALPS-Poti ist etwas fummelig zu säubern, funktioniert aber wieder gut.

[Bild: Elektronik-20201003-044.jpg]

[Bild: Elektronik-20201003-045.jpg]

[Bild: Elektronik-20201004-047.jpg]

Zum Schluß noch die Frontplatte gesäubert, sie hatte nur zwei kleine Macken, die sich leicht ausflecken ließen. Der Deckel ist aber hinüber und braucht eine Neulackierung. Das schöne am ZE-700 ist die Fähigkeit, beim Überspielen von CD die Startmarkierungen zu übernehmen. Schön für Konzerte oder Opern, daher werde ich das Ding wohl behalten, auch wenn es optisch nicht so gefällt.

[Bild: Elektronik-20201010-058.jpg]

[Bild: Elektronik-20201010-060.jpg]

Trommel ist aber noch gut:

[Bild: Elektronik-20201010-062.jpg]
[-] 11 Mitglieder sagen Danke an dg2dbm für diesen Beitrag:
  • spocintosh, Mosbach, MiDeg, Dude, gasmann, hdrobien, hadieho, havox, ms928s4, Casawelli, Lucky Larry Silverstein
Zitieren
Uiii, noch einer der Ersten ohne Thin Tape Erkennung Wink3
Es gibt so Tage, da wirst du mit dem Kopfschütteln einfach nicht fertig.

LG aus HH
[-] 1 Mitglied sagt Danke an gasmann für diesen Beitrag:
  • dg2dbm
Zitieren
(11.10.2020, 15:04)gasmann schrieb: Uiii, noch einer der Ersten ohne Thin Tape Erkennung Wink3

Genau, #450001xx - nach Servicemanual müßten davon nur 300 gebaut sein, den ab 45000300 aufwärts ist das Ding mit "Detection board". Dann müßte 16.7.1996 das Herstellungsdatum sein (?)

Ist aber egal, ich nutze dünne Bänder eh nicht.

Gruß, Rainer
[-] 1 Mitglied sagt Danke an dg2dbm für diesen Beitrag:
  • gasmann
Zitieren
Gehört auch hier rein, hatten wir noch nicht: Pleasantry
https://old-fidelity-forum.de/thread-38426.html
Zitieren
Wink 
Ich hatte nach langer Zeit mal wieder hier reingeschaut und gesehen, dass Axel eine Charge Error Decoder hergestellt hat. Habe mich sofort mit ihm in Verbindung gesetzt und erfahren, dass dieser Decoder nicht an meinen Lieblingsdat DTC 1000 passt. Also dachte ich mir, dann baue ich mir halt selber etwas. Am PCM 2500 (der Profi DTC 1000) ist ja eine entsprechende Error Anzeige vorhanden. 


[Bild: Error-Decoder.jpg]

Im Service Manual des PCM 2500 habe ich mir dann die Schaltung herausgesucht. Sie ist auf dem Microcomputer Sub Board untergebracht, dieses ist vorn auf dem Audio Board in einem Abschirmgehäuse untergebracht.


[Bild: Sub-Board.jpg]

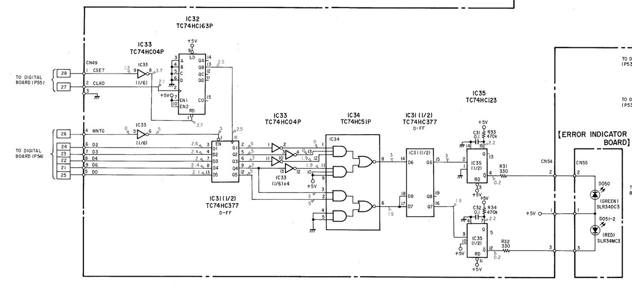
Der Schaltplan sieht so aus



[Bild: Circuit.jpg]

Da ich nicht wirklich Erfahrung habe mit Leiterplattendesign und noch weniger mit der Fertigung werde ich das auf einer Lochrasterplatte aufbauen und im DTC 1000 unterbringen. Aus einem von ursprünglich drei vorhandenen Sony DRD 100 (Kopierstrassen Version des DTC 1000) hatte ich noch ein Board auf dem fast alle benötigten ICs für den Decoder vorhanden waren. Das fehlende IC 74HC51 hatte ich nicht da und diese habe ich dann geordert. Kostet nur ein paar Euro.

Alles weitere zur Herstellung und Einbau folgt in Kürze.
[-] 1 Mitglied sagt Danke an Suprasius für diesen Beitrag:
  • 0300_infanterie
Zitieren
Es geht weiter, die Platine ist soweit fertig. Interessanterweise ist auf dem Sony Schaltplan nicht eingezeichnet, dass jedes IC VCC (5V) und GND benötigt. 

Vorderseite


[Bild: PCB-Front.jpg]

 Rückseite


[Bild: PCB-Back.jpg]

Als keine Möglichkeiten mehr vorhanden waren, "Leiterbahnen" zu ziehen, müsste ich auf isolierte Brücken zurückgreifen. Die "Clock" Leitung muss  geschirmt werden, daher sind beide Kabel (aus dem Spender DRD) geschirmte Varianten. Beide natürlich steckbar.

Als Träger habe ich ein Stuck Kunststoffplatte und ein Schildblech zur Abschirmung zurechtgeschnitten und mit Kunststoffschrauben zusammengesetzt.


[Bild: PCB-back-mount.jpg]

Montieren werde ich die Leiterplatte unterhalb des Audio Boards an einem Querriegel.


[Bild: ED-Mount.jpg]

So morgen geht es weiter ...
[-] 8 Mitglieder sagen Danke an Suprasius für diesen Beitrag:
  • MiDeg, Swobi, Hippman, havox, gasmann, Lucky Larry Silverstein, Baruse, 0300_infanterie
Zitieren
Hier jetzt Teil 3 des Error Decoder Einbaus.

Auf der Platine habe ich 2 LEDs aufgesetzt um die Schaltung zu testen. Mit einer schaltbaren Drahtbrücke kann man diese deaktivieren, denn ich möchte die LEDs gerne am Gerät sichtbar unterbringen. Wie beim PCM 2500 müssen die einzelnen Leitungen am Digital Board im Schirmkasten neben dem Laufwerk an Lötpads angelötet werden. Glücklicherweise war das Service Manual gut genug um zu erkennen, wo welche Pads sind.


[Bild: DB-Wires.jpg]

Damit die Kabel nicht so einfach abreissen können habe ich diese mit einer Draht Zugentlastung am Board befestigt. Fertig schaut das dann so aus.


[Bild: DB-Wires-fix-u.jpg]

Zu spät habe ich gesehen, dass zwei der Pads auf der Oberseite der Platine waren. Meine Kabel waren dafür natürlich zu kurz und ich musste diese verlängern. Aber mit passendem Schrumpfschlauch ist das optisch akzeptabel.


[Bild: DB-Wires-fix-o.jpg]

Dann mal in den Testrecorder einbauen und ausprobieren. War sehr gespannt ob alles funzt, geprüft habe ich die Schaltung mehr als gründlich. Und sie geht auf Anhieb [Bild: wink.gif]


[Bild: DB-Test.jpg]

Wie zu erwarten zeigt sich das gleiche Verhalten wie im PCM 2500. Im Stop Betrieb leuchten beide LEDs. Nach drücken der PLAY Taste gehen diese mit einem Flackern aus und zeigen durch kurzes blinken die Fehler an. Grün für korrigierte Fehler, rot für interpolierte Fehler.

Jetzt mache ich mir Gedanken wie ich die LEDS möglichst unauffällig und rückbaubar (also keine Löcher in die Front etc.) anbringe.
[-] 11 Mitglieder sagen Danke an Suprasius für diesen Beitrag:
  • , Hippman, dg2dbm, spocintosh, MiDeg, havox, gasmann, Lucky Larry Silverstein, nice2hear, Baruse, 0300_infanterie
Zitieren
Dann geht es weiter mit dem Einbau, im Teil 4.

Als ideale Stelle habe ich den Timer Switch für mich ausgewählt. Hier ist genügend Platz für die LEDs und es ist aunauffällig.


[Bild: Switch-1.jpg]

Nach den Löchern habe ich die LEDs mit einem Hauch von Sekundenkleber fixiert um sie nachher "lichtdicht" zu versiegeln.


[Bild: Switch-2.jpg]

Das sieht schonmal gut aus.


[Bild: Switch-3.jpg]

Als Versiegelung habe ich meinen Lieblings 2K Kleber Pattex Stabilit genommen und mit schwarzem Emaille Pulver angerührt.


[Bild: Glue.jpg]

Das ergibt dann eine schwarze, lichtdichte Masse. Ich will ja nicht, dass es aus irgendwelchen Löcher der Front herausleuchtet.


[Bild: Glue-2.jpg]

Damit werden dann die LEDs rundherum versiegelt. 


[Bild: Switch-4.jpg]

Das war nach der ersten Schicht, anschließend kam noch eine zweite Lage drauf, davon habe ich aber kein Bild gemacht.


[Bild: Switch-5.jpg]

Als sehr pingeliger Vogel, bin ich mit dem Ergebnis zufrieden was den Schalter betrifft. Am Schalter sind drei sehr flexible Drähte die auf einer kleinen Platine enden, an der die Zuleitung gesteckt werden kann.

Den Abschluss gibt es morgen mit den alles fertig Bildern.
[-] 12 Mitglieder sagen Danke an Suprasius für diesen Beitrag:
  • MiDeg, hdrobien, dg2dbm, havox, spocintosh, gasmann, DATerfreutmich, Hippman, Lucky Larry Silverstein, xs500, Baruse, 0300_infanterie
Zitieren
So, nun der letzte Teil.

Die Drähte der LED Einheit habe ich auf einer kleinen Platine verbunden, hatte ich noch verwahrt aus irgendeiner Schlachtung.


[Bild: Connector-1.jpg]

Das ganze wurde dann an einer bereits vorhandenen Schraube, mit Stehbolzen, am Chassis befestigt.


[Bild: Connector-2.jpg]

Das war alles in den Recorder einzubauen.


[Bild: All.jpg]

So sieht es eingebaut aus.


[Bild: Ready-2.jpg]

Von vorne.

[Bild: Ready.jpg]

Von innen.

[Bild: Unit.jpg]

Vor allem wegen des Wandlers TDA 1541 ist das vom Klang mein Lieblingsgerät. In diesem Gerät stecken sehr viele Stunden Arbeit, aber das ist eine andere Geschichte ...
[-] 13 Mitglieder sagen Danke an Suprasius für diesen Beitrag:
  • Hippman, Lucky Larry Silverstein, xs500, spocintosh, nice2hear, gasmann, MiDeg, ghalifidely, yawg, Geruchsneutral, Baruse, 0300_infanterie, duffbierhomer
Zitieren
Eines habe ich noch vergessen weil ich so ein Spielkind bin, musste natürlich auch noch ein Sticker her für den Error Decoder. Den habe ich mir mit Corel Draw gestaltet und dann gedruckt.


[Bild: IMG-20201015-112727.jpg]
Sagt nix ....
[-] 10 Mitglieder sagen Danke an Suprasius für diesen Beitrag:
  • Hippman, Lucky Larry Silverstein, xs500, spocintosh, gasmann, MiDeg, Frank K., ghalifidely, Balloo, 0300_infanterie
Zitieren
(10.10.2020, 18:13)dg2dbm schrieb: Das schöne am ZE-700 ist die Fähigkeit, beim Überspielen von CD die Startmarkierungen zu übernehmen. Schön für Konzerte oder Opern, daher werde ich das Ding wohl behalten, auch wenn es optisch nicht so gefällt.

Ich finde den ZE700 optisch sehr gelungen und bei einem in Champagner würde ich echt schwach werden Floet

Und um die Startmarken kümmert sich bei mir ein ICP-1 von Hucht Big Grin

Schöne Restaurierung Thumbsup
[-] 1 Mitglied sagt Danke an Lucky Larry Silverstein für diesen Beitrag:
  • dg2dbm
Zitieren
Mein 2000er ist vor ein paar Jahren gewartet. Der hat danach immer Probleme gehabt wenn ich lange (6 Monate z.B.) im Ausland war und er nicht benutzt wurde. Jetzt muß ich ihn regelmäßig benutzen sonst erkennt er die Bänder nicht und die 48Hz Anzeige blinkt. Wenn ich dann ein Tape habe laufen lassen mit blinkender Anzeige erkennt der Sonie wieder alle Bänder, alles OK. Damit kann ich leben.

Gruß, Jörg.
[/quote]


Wer hat den denn gewartet?

Wenn das richtig gemacht wird darf das nicht vorkommen.
Zitieren
(15.10.2020, 07:52)Suprasius schrieb: [Bild: Unit.jpg]

Vor allem wegen des Wandlers TDA 1541 ist das vom Klang mein Lieblingsgerät. In diesem Gerät stecken sehr viele Stunden Arbeit, aber das ist eine andere Geschichte ...

Wow - das ist mit Abstand der schönste 1000er den ich jeh gesehen habe.

Hut ab, klasse Arbeit.   Thumbsup

Den Aufdruck für den Errordecoder hätte ich auch gerne, hab auch einige verbaut u.a. auch in einem 1000er.
Wie hast Du das gemacht?
[-] 1 Mitglied sagt Danke an ghalifidely für diesen Beitrag:
  • Suprasius
Zitieren
Ich hatte auch mal überlegt, die LEDs vom Errordecoder außen sichtbar zu machen. Dann aber wieder verworfen wegen dem Drang, die ständig zu beobachten, was wiederum vom Musikhören ablenkt. Das zeigt die Erfahrung, wenn der Hucht Copyprocessor MK2 dranhängt. Also wenn, dann auf jeden Fall abschaltbar machen.
Aber tolle Arbeit. Pray
Zitieren
(16.10.2020, 06:29)ghalifidely schrieb: Mein 2000er ist vor ein paar Jahren gewartet. Der hat danach immer Probleme gehabt wenn ich lange (6 Monate z.B.) im Ausland war und er nicht benutzt wurde. Jetzt muß ich ihn regelmäßig benutzen sonst erkennt er die Bänder nicht und die 48Hz Anzeige blinkt. Wenn ich dann ein Tape habe laufen lassen mit blinkender Anzeige erkennt der Sonie wieder alle Bänder, alles OK. Damit kann ich leben.

Gruß, Jörg.


Wer hat den denn gewartet?

Wenn das richtig gemacht wird darf das nicht vorkommen.
[/quote]

Der Mann nennt sich auf Marktplaats NL MyPearl. Ein Ex-Servicetechniker der beim NL Sonie-Kundendienst gearbeitet hat. Das Displayflackern hat sich inzwischen gelegt. Man muß nur "richtig" drücken, hab das jetzt gut im Griff.

Verheiratet mit kleineren Kids und sehr wenig Zeit. Daher will ich ihn erst mal in Ruhe lassen. Hatte 150€ bezahlt und für nochmal 100 hat er mir auch den Aiwa HD-S200 revidiert. Der funzt seither gut bis auf schwächelndes Spulen, abhängig von der Kassette und wie ich das Gerät halte.

Gruß in die Runde, Jörg.

(17.10.2020, 13:02)Swobi schrieb: Ich hatte auch mal überlegt, die LEDs vom Errordecoder außen sichtbar zu machen. Dann aber wieder verworfen wegen dem Drang, die ständig zu beobachten, was wiederum vom Musikhören ablenkt. Das zeigt die Erfahrung, wenn der Hucht Copyprocessor MK2 dranhängt. Also wenn, dann auf jeden Fall abschaltbar machen.
Aber tolle Arbeit. Pray

Den Hucht Mk II hab ich auch. Den hab ich außer Sicht aufgestellt.  Pleasantry

Jörg.
Zitieren
Guten Abend zusammen

Ev. hat einer von euch Profis einen heissen Tipp für mich?

Habe ein SONY DTC-670 erworben. Wiedergabe läuft, Aufnahme aber nicht. Das Aufgenommene Signal hört man ab und zu, das Relais klickt dann meist wie wild.
Interessant ist auch, das keine END IDs geschrieben werden können, alle anderen schon.

Die Elkos des Kopfverstärkers habe ich ersetzt (waren alle hinüber) trotzdem leider keine Verbesserung.

Viele Grüsse
Richard
Zitieren
Je nach Zersetzungsrad der Platine des Kopfverstärkers sind auch Leiterbahnen und Durchkontaktierungen hinüber. Ich habe auch schon mehrmals einen Kopfverstärker nicht mehr retten können, obwohl ich alle Leiterbahnen und Durchkontaktierungen geprüft und ausgebessert hatte.

Hast Du ein funktionierendes Gerät aus dem Du testweise den Kopfverstärker nehmen kannst ?
Zitieren
Die Platine sieht eigentlich noch optisch gut aus (im Vergleich zu anderen die hier gezeigt werden). Aber natürlich ist trotzdem ein Schaden an Kontaktierung/Leiterbahn nicht auszuschliessen.

Habe noch ein Tascam MK2, dessen Verstärker passt leider kaum.
Zitieren
Atghalifidely

Die Aufkleber habe ich mit einem Brother PT 9200 ausgedruckt (Gold on Clear Tape) und ausgeschnitten. Bisher hatte ich nur einen Brother PT2430 der nur 180 dpi hatte, der PT 9200 hat 360 und das ist ein riesiger Unterschied. Damit kann man tolle Sachen machen.

Den DTC-1000 habe ich aus ca. 5 DTC Spendern zusammengesetzt. Dabei wurden jeweils die am Besten erhaltenen Chasissteile etc. zu einem neuen Gerät. Alles wurde neu verkabelt, die ekelhaft klebenden Klebebänder mit dem die Kabel verbunden entfernt und gesäubert. Alle Paltinen wurden gereinigt, geprüft und mit neuen Elkos versehen. Anschließend rückseitig hochglanz versiegelt. Einige Chips wurden gesockelt. Fast Alle Wire Wrap Verbindungen wurden steckbar gemacht und noch vieles mehr ...
[-] 1 Mitglied sagt Danke an Suprasius für diesen Beitrag:
  • ghalifidely
Zitieren
[quote pid="1355894" dateline="1601917363"]
das mit der doppelten Geschwindigkeit habe ich auch bei ein paar Cassetten (der Recorder ist selber Top in Ordnung) . Es sind Sony 125 Meter Cassetten die laufen alle doppelt so schnell. Eine von 3M mit 125 Metern läuft einwandfrei. Mittlerweile vermute ich einen Zusammenhang mit den Cassetten Kodierschaltern, bzw. den Bohrungen auf der Unterseite.
[/quote]
Zwischendurch waren auch ein mit diesem 1000er LW ausgerüster Onkyo u. ein Pioneer Dat betroffen.

Wem der 1000er Sony klanglich gefällt, wird den 1000er Pioneer lieben. Nochmal einiges feiner bei besserer Auflösung.

Den hier kürzlich in der Reparatur vorgestellten ZE-700 habe ich jetzt mal ausgiebiger gehört. Für mich klanglich einer der besten Sony Heim Dats.

DTC-670
Wenn der einigermaßen wiedergibt, bedeutet es noch lange nicht, dass die Aufnahme auch stimmt. Dafür muss als erstes die ganze Bandführung in Schuss sein. Sonst hat man zu viele unbekannte als Fehlerquelle. Dazu wurde noch nichts berichtet.
Zitieren


Möglicherweise verwandte Themen…
Thema Verfasser Antworten Ansichten Letzter Beitrag
  ITT Schaub-Lorenz stereo recorder 80 hifi-Cr hepatika 4 500 09.01.2026, 11:17
Letzter Beitrag: nice2hear
  Sony TCD-D7 (Digital Audio Tape Recorder) defekt Hubert Irscher 5 3.801 04.01.2026, 17:54
Letzter Beitrag: EigentlichsammelichMDs
  Dat-Recorder / Alles außer Sony Swobi 1.661 738.866 07.12.2025, 23:15
Letzter Beitrag: FJR-1300
  Pioneer D-9601 DAT Recorder, spielt alles zu schnell ab Mitek 5 982 07.11.2025, 06:20
Letzter Beitrag: MBlau007
  Sony DAT-1000ES: Keine schnelle Vorlauf- oder Rücklauffunktion chercheur 8 1.485 25.10.2025, 10:04
Letzter Beitrag: chercheur
  Sony DAT SecretKey MBlau007 105 26.133 24.10.2025, 11:58
Letzter Beitrag: HUCHT-Tec



Benutzer, die gerade dieses Thema anschauen: 53 Gast/Gäste