04.10.2025, 17:24
|
DAT: Sony DTC-1000ES - Trommel dreht sich nicht
|
|
04.10.2025, 23:36
(04.10.2025, 12:18)HUCHT-Tec schrieb: Denn kein vernünftiger Mensch würde bei einer ausgefallenen 5 V -Stromversorgung per Q 502 bei Ich bin dem geschätzten Kollegen trotzdem dankbar, der mir das so wieder repariert hat. (04.10.2025, 23:36)Swobi schrieb: ...Ich bin dem geschätzten Kollegen trotzdem dankbar,... Den Austausch von Q 505 hat der geschätze Kollege auch ganz sicher gut gemeint und es ist auch eine gute Sache, dass das MD SERVO BOARD nach der Instandsetzung wieder funktioniert, keine Frage, aber ich halte den Austausch trotzdem für etwas arg übervorsichtig bzw. voreilig und für schlicht überflüssig. Wenn man einen ganzen Sack voll von solchen Doppeltransistoren in der Ecke stehen hat, dann kann man ruhig austauschen, wenn man dann besser schlafen kann. Aber selbst, wenn der Längsreglertransistor Q 502 und der Treibertransistor Q 503 beide auf die schimmstmögliche Art "abbrennen", dann interessiert das den Doppeltransistor Q 505 überhaupt nicht, da der durch die Art und die Dimensionierung seiner umgebenden Beschaltung vor einer (Mit-) Beschädigung geschützt ist. Die zulässigen Höchstwerte für Ströme und Spannungen bei dem Q 505 werden selbst beim kompletten Ausfall von Q 502 und / oder Q 503 nichtmal ansatzweise erreicht oder gar überschritten. Wie bereits ein kurzer Blick in den Schaltplan zeigt. Muss man aber so einen Doppeltransistor Q 505 für einen Austausch erst beschaffen oder im schlimmsten Fall nach einem kompatiblen Ersatztyp suchen, dann halte ich den Austausch nicht nur für überflüssig, sondern sogar für ganz klar kontraproduktiv. .
Not macht erfinderisch.
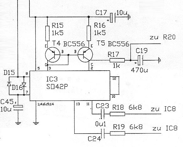
(04.10.2025, 17:24)Florida Boy schrieb: Ansonsten fiele mir noch Intersil ein: Die sind alle nicht mehr erhältlich. Allerdings werden die IT12x nachgebaut: https://www.linearsystems.com/bipolartransistors Auf die bin ich bei meinen damaligen Stromspiegelexperimenten gestoßen, waren aber teurer, als die Schaltung so zu ändern, daß der Stromspiegel nur ein paar µA spiegeln muß. (06.10.2025, 08:40)HUCHT-Tec schrieb: Aber selbst, wenn der Längsreglertransistor Q 502 und der Treibertransistor Q 503 beide auf Den Q504 kann man aber kaputtkriegen, wenn man sich beim Messen sehr dumm anstellt, z.B. die Spannung gegen Masse an der (gemeinsamen) Basis von Q504 mit einem Multimeter im Strommeßbetrieb (Meßleitung in der 10A-Buchse) mißt. (06.10.2025, 14:49)evkzrel schrieb: ...Den Q504 kann man aber kaputtkriegen, wenn man sich beim Messen sehr dumm anstellt, Höhö, sooo würde ich sogar die Netztzrafos kaputtkriegen, wenn ich so über längere Zeit an einer der Sekundärwicklungen die Spannung messen würde. Die haben nämlich beim 1000er primärseitig garkeine Netzsicherung und sind ganz sicher nicht nach DIN VDE 0551-1 (dauerkurzschlussfeste Sicherheitstransformatoren) gefertigt. Es ist aber natürlich auch nicht ganz unwichtig, welcher Spezialist gerade mit dem Messgerät rumhantiert..... (01.10.2025, 16:03)chercheur schrieb:(01.10.2025, 16:01)evkzrel schrieb: Vielleicht sollte chercheur die Gelegenheit nutzen, um den Strom zu messen, (06.10.2025, 14:49)evkzrel schrieb: ..Die sind alle nicht mehr erhältlich. Allerdings werden die IT12x nachgebaut: Ja, Bauteile für temperaturstabile Stromspiegel sind schon eine recht kniffelige Sache. Eine ganz simple Kompensationsmöglichkeit hatte ich ja schon aus eigener Erfahrung genannt: (04.10.2025, 11:15)HUCHT-Tec schrieb:(04.10.2025, 10:04)evkzrel schrieb: ..meine Erfahrung daraus ist, daß das nur für extrem kleine Ströme funktioniert, weil die So einen Ansatz zur Linearisierung von DIY-Stromspiegeln aus 0815-Standardbauteilen hatte ich zum Beispiel in einer alten Bauanleitung aus dem obskuren MEGA MAGAZIN (Juni 1994) für ein Eigenbau-DCF77-Frequenznormal gefunden. In dieser Schaltung wird das symmetrische Ausgangssignal des symmetrischen Vierquadranten- Multiplizierers S042P (Siemens) mit so einem modifizierten Stromspiegel asymmetriert und dem Tiefpassfilter der PLL zugeführt. Der analoge Vierquadranten-Multiplizierer dient als Phasenkomparator der PLL. Das verstärkte, gefilterte und verclippte DCF77 Signal (77,5 kHz) wird dem Mixer asymmetrisch zugeführt (Pin 7 und 8) und das heruntergeteilte Referenzsignal aus dem VCO wird gegenphasig über Pin 11 und 13 zugeführt. Pin 2 und Pin 3 sind die Ausgänge des Mixers. Dieses Schaltungskonzept aus 1994 (also grössenordnungsmässig aus der Zeit der DAT- Entwicklung) hat sich bei mir im lamgjährigen Einsatz bestens bewährt. Der Einsatz des Stromspiegels ist hier ähnlich wie beim Differenzverstärker im DTC-1000 etc. Ich hatte das Normal seinerzeit in erweiterter und modifizierter Form aufgebaut und habe dieses funktionbereite Experimentiergerät nach "zig" Aktualisierungen im Laufe der Jahre heute immer noch als eines meiner Reserve- / Vergleichsgeräte im Regal stehen. Obwohl der Stromspiegel darin nur mit zwei universellen Einzeltransistoren aufgebaut ist, habe ich an dieser PLL nie eine auffällige Temperaturabhängigkeit beobachtet. (anders als beim Oszillator...) Die beiden Transistoren sitzen nur räumlich henachbart auf der Leiterplatte und sind nicht weiter durch zusätzliche Massnahmen thermisch aneinander gekoppelt. (im Bild "unterhalb" vom S042P) Dieses Frequenznormal hatte ich im Laufe der Jahre bei verschiedensten Umgebungstemperaturen eingesetzt (z.B. in meinem Keller). Immer ohne erkennbare Temperaturprobleme beim Mixer. Der Mixer arbeitet mit 12 V an Pin 5. Bei meinem Gerät hat der R 17 ca 100 Kiloohm. Der Spannungshub am asymmetrischen Ausgang beträgt rund 8 Vpp mit variablem Duty Cycle. Ich wette, dass man mit zwei solchen PNP "BC- Fünfhundertirgendwas"-Transistoren und zwei Widerständen von etwa je 470 Ohm problemlos den Stromspiegel Q 504 im DTC-1000 hinreichend temperaturstabil ersetzen könnte, wenn der Q 504 tatsächlich mal defekt sein sollte und wenn man unbedingt den originalen Regler wieder instand setzen will. Schaltplanauszug aus MEGSA MAGAZIN: ![]() S042P ![]() ![]() Dass der Langwellensender DCF77 bei Frankfurt (sendet auf 77,5 kHz) im MEGA MAGAZIN zum "Längstwellensender" undeklariert wid, finde ich schon ziemlich witzig.... ![]() Diese ganz schrecklich wüste Bastelkiste hat schon "zig" Jahre 24/7 Dauerbetrieb auf dem Buckel und "tut" heute immer noch zuverlässig in Berlin City ( in ca 410 km vom Sender): Probebetrieb mit abgenommenen Deckeln nach Aktualisierung und Frequenzvergleich mit GPS-Frequenznormal (Hewlett Packard) (Foto 2010), alte DIY-Aktivantenne rechts : ![]() Das Bastel-Machwerk hat im heutigen Ausbauzustand vier 10, 0 MHz-Normalfrequenz-Ausgänge ( 1 x Toslink und 3 x per Transformatoren potentialfreie BNC-Ausgänge), zusätzlich einen 1 PPS- Out und mehrere Messausgänge (VCO-Tuning, RSSI, 310 kHz Refrenzfrequenz, Antennenabstimmung): ![]() Probebetrieb nach letzter Aktualisierung mit neuer fernabstimmbarer DIY- Aktiv-Ferritantenne mit höherer Selektivität, kleinerem Temperaturgang, verbesserter Empfangsleistung und mit DIY- Magnetfuss aus einem alten Lautsprechermagneten (2023): ![]() Das zeigt, dass ich so einen modifierten Stromspiegel schon jahrelang gründlich und erfolgreich in einer ziemlich kritischen Anwendung selbst erprobt hatte, bevor ich hier so eine Schaltungsempfehlung dafür ausgesprochen habe. .
Not macht erfinderisch.
08.10.2025, 15:59
Hallo DAT-Löter,
Schön, dass die DAT-Maschine mit den "externen" 5 V Sp.-Regler wieder läuft. Ergänzung zum Drum Servo DTC 1000 Der TL 431 (IC 520) ist eine präzise Z-Diode mit einer Referenzspannung von 2,5 V. Die brennende Frage ist doch, warum diese Z-Diode statt auf 2,5 V nur auf 2,2 V stabilisiert. Ursache hierfür ist ein zu hoher „Strom-Vampir“, z. B. vom Elko C537 oder vom C527 (ja, auch ein 1 nF-C könnte niederohmig sein – alles schon erlebt mit 5 V in einem Hameg Gerät) oder der Q 505 hat intern einen Defekt oder der TL 431 ist nicht i. O. Auch der R 551 mit 3,3 kΩ könnte hochohmiger sein (5,9 V - 2,5 V = 3,4 V / 3,3k = 1 mA). Wird der TL 431 weit unter 1 mA betrieben, hat er erhöhtes Spannungsrauschen und die 2,5 V ist auch kleiner. Mit dieser 2,5 V Referenzspannung wird auch noch das DERROR-Signal über das IC 519 generiert (CN 541 Pin 10). Evtl. kann ein Regelkreis in diesem DRUM-System die 0,3 V verminderte Referenzspannung wieder ausgleichen. Messung Basis-Emitterspannung am Q502: Den NPN-Kleinsignaltransitor mit Basis- Emitterspannung von wesentlich größer als ca. 0,7 V gibt es „physikalisch“ nicht auf dieser Welt. Es sei denn: a.) Die Basis-Emitter ist vertauscht, die Emitter-Spannung ist größer als die Basis-Spannung b.) Der Basis- oder der Emitterweg ist intern unterbrochen c.) Es wurde nicht die B-E gemessen, sondern an C-B oder C-E d.) oder? Zur Klärung der Ursache, die beteiligten Transistoren nacheinander auslöten und nachmessen und falls möglich die Werte mit einem Funktionstüchtigen vergleichen. Gefährlich: Wird in einem 5 V System die Spannung weit überschritten, können die IC´s in diesem Supply-Zweig sofort zerstört werden. Erfahrung: Hängt z. B. bei einem 7805 der GND-Pin in der Luft, schlägt die volle Eingangsspannung auf den Ausgang durch – ein Super-Gau. Auf eigene Gefahr: Das DTC 1000 Service Manual nimmt es mit den 6 V nicht so genau. Der 6 V „Vorregler“ mit Q909 auf dem Power Board liefert lt. SM 5,8 V. Deshalb könnte man einfach die Diode D 502 umdrehen (5,8 V – 0,6 V = 5,2V). Dann liegen auf der 5 V Supply „theoretisch“ 5,2 V, was für die entsprechenden IC´s noch o. K. wäre und man könnte auf den zusätzlichen 5 V Festspannungsregler und auf den Q 502 ganz verzichten. Der DTC 1000 funktionierte doch mal einwandfrei - was ist zwischenzeitlich genau passiert! Ich persönlich würde der Fehlerursache auf den Grund gehen und den Originalzustand wieder ganz herstellen. Die Entwickler haben sich schon was dabei gedacht. Auf der Lötseite von der Hauptplatine ist im Original keine fliegende grüne Zusatzverdrahtung! Erfolgreiche Grüße greg (08.10.2025, 15:59)greg schrieb: Der TL 431 (IC 520) ist eine präzise Z-Diode mit einer Referenzspannung von 2,5 V. Das hat doch Hucht-Tec ausführlich erklärt: Q505 ist der Vampir wenn die Spannung an der rechten Basis zu klein ist (im vorliegenden Fall 0 V wegen defektem Q502). (08.10.2025, 15:59)greg schrieb: Gefährlich: Das ist bei jedem Dreibeinspannungsregler so. Allerdings ist der Strom recht gering und im vorliegenden Fall sind es eh nur 6 V. (08.10.2025, 15:59)greg schrieb: Der TL 431 (IC 520) ist eine präzise Z-Diode.... Nein, das ist keine Zenerdiode. Das ist ein aktiver einstellbarer Parallelregler mit interner Spannungsreferenz. (08.10.2025, 15:59)greg schrieb: ...Der DTC 1000 funktionierte doch mal einwandfrei.... Juchuuu, und zurück in die schaltungstechnische Steinzeit..... Ich persönlich würde das ganz sicher nicht so machen und würde direkt einen aktuellen LDO Regler nehmen und den ganzen alten Kram mit dem diskret aufgebauten DC-Verstärker dann komplett entfernen. Das hatte evkzrel schon ganz richtig so vorgeschlagen. Dann herrschen wieder klare Verhältnisse. Ich hatte bereits was dazu geschrieben und hätte wohl präzisiser "aufbauen müssen" schreiben sollen: (30.09.2025, 13:04)HUCHT-Tec schrieb: ....Das kann man heute problemlos durch einem Feld-Wald-und-Wiesen 5 V / 1 A Low Dropout (03.10.2025, 13:20)HUCHT-Tec schrieb: ...Bei genauerer Überlegung würde ich doch lieber einen LDO Regler verwenden als... (09.10.2025, 10:53)evkzrel schrieb: Das hat doch Hucht-Tec ausführlich erklärt: ..... Wurde wohl genauso wenig zur Kenntnis genommen wie der allergrösste Teil meiner anderen Beiträge auch .... .
Not macht erfinderisch.
09.10.2025, 21:48
(Dieser Beitrag wurde zuletzt bearbeitet: 09.10.2025, 21:50 von Funkelrauschen.)
(04.10.2025, 17:24)Florida Boy schrieb: Ansonsten fiele mir noch Intersil ein: ...vor 15 Jahren konnte ich mal einige IT126 von Calogic ergattern:
Wow !
Und da ist ja auch noch richtig Gold auf den Drähten, im Gegensatz zu dem ganzen nur noch "hauchvergoldeten" Dreck, den man heutzutage bei Buchsen, Stiftleisten und Steckern angedreht kriegt... .
Not macht erfinderisch.
|
|
|
| Möglicherweise verwandte Themen… | |||||
| Thema | Verfasser | Antworten | Ansichten | Letzter Beitrag | |
| Dat-Recorder | Swobi | 8.141 | 2.932.214 |
Gestern, 15:28 Letzter Beitrag: HUCHT-Tec |
|
| Sony DTC 670 - Kein Ton | Klang | 17 | 2.347 |
26.11.2025, 17:20 Letzter Beitrag: Maxwell53 |
|
| Sony DTC-670 schlechte Aufnahme | MBlau007 | 18 | 1.645 |
26.11.2025, 15:44 Letzter Beitrag: MBlau007 |
|
| Sony DTC 60es Beleuchtung Kassettenfach | Maxwell53 | 13 | 712 |
26.11.2025, 15:42 Letzter Beitrag: MBlau007 |
|
| Pioneer D-9601 DAT Recorder, spielt alles zu schnell ab | Mitek | 5 | 654 |
07.11.2025, 06:20 Letzter Beitrag: MBlau007 |
|
| Sony DTC-670 Display "flackert" | MBlau007 | 0 | 213 |
06.11.2025, 18:56 Letzter Beitrag: MBlau007 |
|
Benutzer, die gerade dieses Thema anschauen: 1 Gast/Gäste



![[Bild: qyeCfaIl.jpeg]](https://i.imgur.com/qyeCfaIl.jpeg)
![[-]](https://old-fidelity-forum.de/images/collapse.png)
![[Bild: BAUSATZ-MEGA-MAGAZIN1994-Stromspiegel-01.jpg]](https://i.postimg.cc/rwzwHYyp/BAUSATZ-MEGA-MAGAZIN1994-Stromspiegel-01.jpg)
![[Bild: S042-P-Schaltung-02.jpg]](https://i.postimg.cc/cCMPXZtp/S042-P-Schaltung-02.jpg)
![[Bild: BAUSATZ-MEGA-MAGAZIN1994-Stromspiegel-03.jpg]](https://i.postimg.cc/VLxvpPvY/BAUSATZ-MEGA-MAGAZIN1994-Stromspiegel-03.jpg)
![[Bild: BAUSATZ-MEGA-MAGAZIN1994-01.jpg]](https://i.postimg.cc/rFh4Zwtw/BAUSATZ-MEGA-MAGAZIN1994-01.jpg)
![[Bild: DCF77-Mega-Mag-94-HU-DUT-02.jpg]](https://i.postimg.cc/JnrSD2h0/DCF77-Mega-Mag-94-HU-DUT-02.jpg)
![[Bild: DCF77-Mega-Mag-94-HU-DUT-04.jpg]](https://i.postimg.cc/YCPB7JmW/DCF77-Mega-Mag-94-HU-DUT-04.jpg)
![[Bild: DCF77-Mega-Mag-94-HU-DUT-01.jpg]](https://i.postimg.cc/L4kyQLTv/DCF77-Mega-Mag-94-HU-DUT-01.jpg)
![[Bild: IT126.jpg]](https://i.postimg.cc/JnvShYW9/IT126.jpg)