24.10.2025, 12:41
(24.10.2025, 12:31)alexl schrieb: [ -> ]Könnte man das LCD-Display nebst Diagnosemode nachrüsten?
Das ist eine uralte Frage, die immer mal wieder auftaucht...
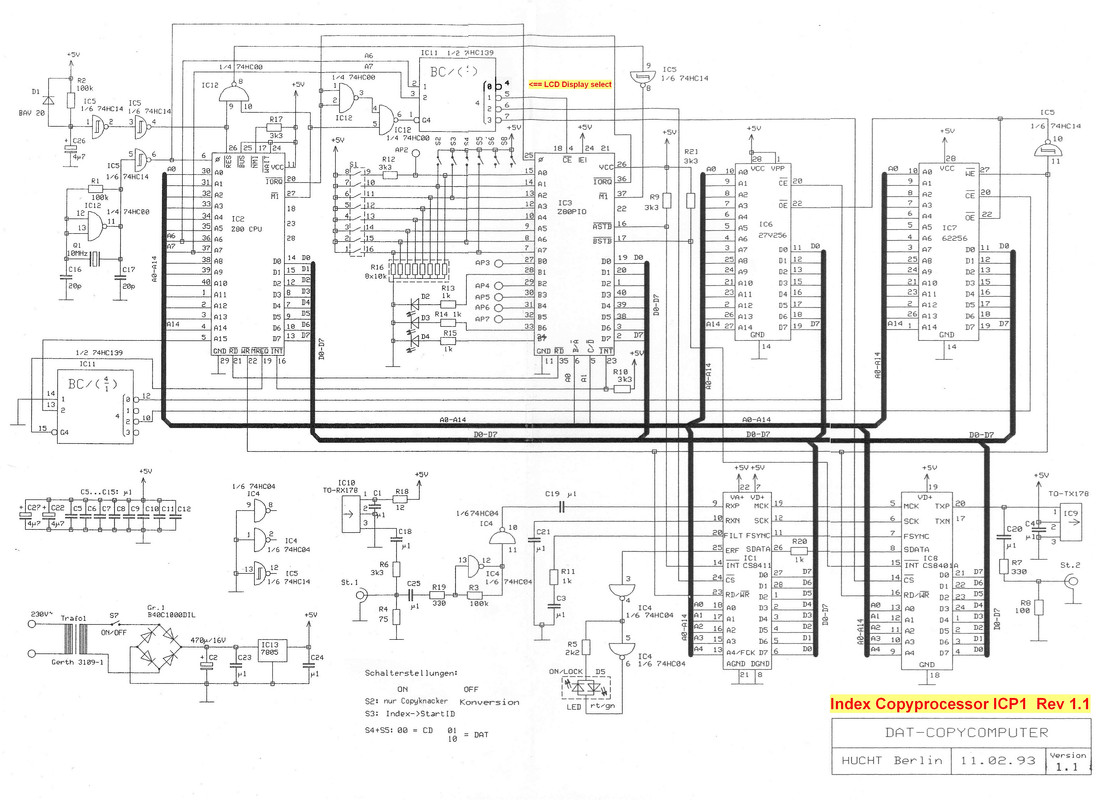
==> Der Diagnosemode ist in der Firmware ab Rev 3.xx standardmässig enthalten.
Der wurde für die Firmwareentwicklung implementiert (Debuggen), nicht für den Endanwender
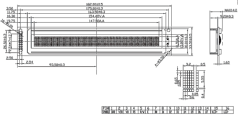
Ein angeschlossenes LCD-Display wird automatisch erkannt und angesteuert, wenn die
ICP1-Hardware das hergibt. Beim ICP2pro ist die Stiftleiste fürs Diagnosedisplay serienmässig drin.
Dazu wurde schon mehrfach was hier und an anderer Stelle ausführlichst geschrieben.
Guckts Du zum Beispiel hier und die Folgebeiträge:
(27.12.2024, 15:09)HUCHT-Tec schrieb: [ -> ].......
![[Bild: 20251024-144951-1.jpg]](https://i.postimg.cc/m2sNtCcs/20251024-144951-1.jpg)
![[Bild: Z80-EMUF-01.jpg]](https://i.postimg.cc/bv9G6y1S/Z80-EMUF-01.jpg)
![[Bild: ICP1-Prototyp-mit-Sony-IO-017.jpg]](https://i.postimg.cc/JhVjn7NH/ICP1-Prototyp-mit-Sony-IO-017.jpg)
![[Bild: ICP1-Prototyp-mit-Sony-IO-021.jpg]](https://i.postimg.cc/RVWtLJGf/ICP1-Prototyp-mit-Sony-IO-021.jpg)
![[Bild: ICP1-Prototyp-mit-Sony-IO-023.jpg]](https://i.postimg.cc/J4Sk67dB/ICP1-Prototyp-mit-Sony-IO-023.jpg)
![[Bild: ICP1-Prototyp-mit-Sony-IO-031.jpg]](https://i.postimg.cc/wTnmfxbJ/ICP1-Prototyp-mit-Sony-IO-031.jpg)

![[Bild: Sony-DTC-55-ES-Serial-Copy-Management-Sy...ndbook.png]](https://i.postimg.cc/G2WxtfYq/Sony-DTC-55-ES-Serial-Copy-Management-System-SCMS-Handbook.png)
![[Bild: Sony-DTC-75-ES-55-ES-700-Circuit-Descrip...ooting.png]](https://i.postimg.cc/nrqYD1GZ/Sony-DTC-75-ES-55-ES-700-Circuit-Description-And-Troubleshooting.png)
![[Bild: 20241217-172315.jpg]](https://i.postimg.cc/nVG36y9v/20241217-172315.jpg)
![[Bild: ICP1-Crystal-Rev1-1-PLAN-Display-04.jpg]](https://i.postimg.cc/T3Cc0vjR/ICP1-Crystal-Rev1-1-PLAN-Display-04.jpg)
![[Bild: ICP1-Crystal-Rev1-1-PLAN-Display-07.jpg]](https://i.postimg.cc/0ycCn1Gy/ICP1-Crystal-Rev1-1-PLAN-Display-07.jpg)
![[Bild: LCD-Anzeigen-04.jpg]](https://i.postimg.cc/jSZhcY6d/LCD-Anzeigen-04.jpg)
![[Bild: ICP1-Crystal-Rev1-1-Display-Controller-01.jpg]](https://i.postimg.cc/sgwJmCPs/ICP1-Crystal-Rev1-1-Display-Controller-01.jpg)
![[Bild: ICP1-Crystal-Rev1-1-Display-Anschluss-02.jpg]](https://i.postimg.cc/2S2xGNdp/ICP1-Crystal-Rev1-1-Display-Anschluss-02.jpg)
![[Bild: ICP1-Crystal-Rev1-1-PLAN-06.jpg]](https://i.postimg.cc/nLvyRzzH/ICP1-Crystal-Rev1-1-PLAN-06.jpg)
![[Bild: ICP1-Crystal-Rev1-1-Layout-03.jpg]](https://i.postimg.cc/50fk0Sm8/ICP1-Crystal-Rev1-1-Layout-03.jpg)
![[Bild: HUCHT-Schrott-2005-011.jpg]](https://i.postimg.cc/44mP8fXX/HUCHT-Schrott-2005-011.jpg)